Сколько масла заливать в двигатель Toyota Land Cruiser Prado 150
Бензиновые двигатели
- 2TR-FE 2.7 (163 л. с.), г. в. – 2011-2017, объем масла – 5,5 литра, допуск и класс: API SL, SM, SN; 0W-20, 5W-20, 5W-30
- 1GR-FE 4.0 (249 л. с.), г. в. – с 2021, объем масла – 5,7 литра, допуск и класс: API SL, SM, SN; 0W-20, 5W-30, 10W-30
- 1GR-FE 4.0 (282 л. с.), г. в. – 2009-2017, объем масла – 5,7 литра, допуск и класс: API SL, SM, SN; 0W-20, 5W-30, 10W-30.
Дизельные двигатели
- 1GD-FTV 2.8 (177 л. с.), г. в. – 2015-2017, объем масла – 7,7 литра, допуск и класс – АСЕА С2, 0W-30, 5W-30
- 1KD-FTV 3.0 173 л. с., г. в. – 2009-2015, объем масла – 7,0 литра, допуск и класс – API CF-4, CF, CE, CD, ACEA B1, 5W-30, 5W-40, 10W-40.
Особенности конструкции
На двигателе модели 1GR FE был доработан впускной коллектор. Увеличена степень сжатия. А диаметр цилиндра стал равен 94 мм. Шатуны сделаны из высококачественной кованой стали, а цилиндры отлиты из алюминия и головки блоков цилиндров тоже сделаны из алюминиевого сплава.

Газораспределительный механизм приводится в действие цепью. Распредвалы и впускные коллекторы изготавливаются из высококачественного алюминия. Впервые была достигнута на этих двигателях экологическая норма чистоты сгорания, соответствующая значению Евро 5. Потому что была установлена новая камера сгорания, так называемая squash-камера.
Системы впрыска оснащаются многоточечным инжектором MPI. Поршни доработаны, что позволило уменьшить детонацию движка при неблагоприятном воздействии внешней среды. Увеличилась эффективность потребления горючего.
Цепь ГРМ служит более 100 тысяч километров. Опытные механики отмечают, что двигатель стал более совершенным.
Стук в двигателе 2zr fae
Производство Toyota Motor Manufacturing West Virginia Shimoyama Plant Марка двигателя Toyota 2ZR Годы выпуска 2007-наши дни Материал блока цилиндров алюминий Система питания инжектор Тип рядный Количество цилиндров 4 Клапанов на цилиндр 4 Ход поршня, мм 88.3 Диаметр цилиндра, мм 80.5 Степень сжатия10 10.5 13 Объем двигателя, куб.см 1797 Мощность двигателя, л.с./об.мин128/6000 132/6000 136/5200 136/6000 140/6000 144/6400 147/6400 Крутящий момент, Нм/об.мин171/4400 207/4000 172/4400 175/4400 174/4400 176/4400 180/4000 Топливо 95 Экологические нормы Евро 5 Вес двигателя, кг 97 (сухой) Расход топлива, л/100 км (для Corolla E170) 8.3 — город 5.3 — трасса 6.4 — смешан.
Расход масла, гр./1000 км до 1000 Масло в двигатель0W-20 5W-20 5W-30 10W-30 Сколько масла в двигателе 4.2 Замена масла проводится, км 10000 (лучше 5000) Ресурс двигателя, тыс. км 1млн.км — по данным завода
250 т.км — на практике
Тюнинг 250лс+ — потенциал Двигатель устанавливалсяToyota Avensis Toyota Corolla Toyota Matrix Toyota Premio Toyota Yaris Toyota Corolla Rumion Toyota iSt Toyota Wish Toyota Prius Toyota Auris Toyota Verso Lexus CT200h Scion
2ZR вышел в 2007 году в качестве замены, нелюбимого в народе 1ZZ мотора, и занимает промежуточное положение в линейке Toyota ZR, между младшим 1ZR и большим 3ZR. 1вый и 3тий ZR на Vitz/Yaris не устанавливаются заводом.От первого, 2ZR отличается увеличенным ходом коленвала (с 78.5 мм до 88.3 мм), в 3ZR, соответственно, коленвал с большим ходом. Кроме того, на 2ZR имеются модификации работающие по циклу Аткинсона. О модификациях ниже…
Модификации двигателя Toyota 2ZR
1. 2ZR-FE — базовый двигатель, с системой Dual-VVTi, степень сжатия 10, мощность от 128 до 134 л.с. 2. 2ZR-FAE — аналог 2ZR-FE, с использованием системы регулирования высоты подъема клапанов Valvematic. Степень сжатия увеличена до 10.5, мощность двигателя, в зависимости от модели, от 143 до 150 л.с. 3. 2ZR-FXE — аналог 2ZR-FE для гибридных автомобилей, работает по циклу Аткинсона. Степень сжатия повышена до 13, мощность 98 л.с. Встречается на таких авто, как Toyota Prius, Lexus CT 200h и Toyota Auris.
Неисправности, проблемы 2ZR и их причины
1. Высокий расход масла. Проблема характерна для первых моделей ZR, решается заливкой масла с вязкостью W30, вместо 0W-20, 5W-20. Если же пробег серьезный, тогда замеряйте компрессию. 2. Стук двигателя 2ZR. Шум на средних оборотах? Меняйте натяжитель цепи ГРМ. Помимо этого, шуметь (свистеть) может и приводной ремень генератора, меняйте. 3. Проблемы с холостым ходом. Плавание и прочие неприятности провоцируются датчиком положения дроссельной заслонки и грязной самой дроссельной заслонкой.
Помимо того, помпа на 2ZR любит подтекать, шуметь и проситься на свалку после 50-70 тыс. км, нередко умирает термостат и двигатель отказывается прогреваться до рабочей температуры, может заклинить клапан VVTi с последующей тупостью автомобиля и потерей мощности. Тем не менее, данные проблемы встречаются не сплошь и рядом, двигатель 2ZR получился неплохим, с нормальным ресурсом (+\- 250 тыс. км) и при стабильном обслуживании, проблем владельцу не доставляет.
Тюнинг двигателя Toyota 2ZR-FE/FAE/FXE Турбина на 2ZR-FE/FAE/FXE
В свободной продаже существуют турбо киты на 2ZR, за вполне вменяемые деньги, на основе 28-го Garrett-а, с полным набором: турбина, интеркулер, коллектор, все пайпинги, блоуофф, 440/500сс форсунки, холодный забор воздуха, все фильтра, насос walbro 255. Вам осталось его купить, поставить, дополнить выхлопом на 2.5″ трубе и настроить, например на Greddy E-manage. Подобные конфигурации дают 250-300 л.с. Но чтоб
Источник
Второе поколение (J90: 1996–2002) [ править ]
| J90 | |
|---|---|
| 1998 Toyota Land Cruiser Prado GXL 5-дверный (VZJ95, Австралия) | |
| Обзор | |
| Также называемый | |
| Производство | |
| сборка |
|
| Кузов и шасси | |
| Связанный |
|
| Трансмиссия | |
| Двигатель |
|
| Передача инфекции |
|
| Размеры | |
| Колесная база |
|
| Длина |
|
| Ширина | 1820 мм (71,7 дюйма) |
| Высота | 1880 мм (74,0 дюйма) |
| Снаряженная масса |
|
1996–1999 Toyota Land Cruiser Prado 2-дверный 2.7 RX Type S (RZJ90W, Япония)
1998 Toyota Land Cruiser Prado VX Grande (VZJ95, Австралия)
В мае 1996 года серия J70 претерпела изменения и стала независимой серией Prado серии J90. Тело удлинилось. Дизайн остался средним, как у J70. Передняя подвеска была заменена на независимую, аналогичную Tacoma и Hilux Surf производства Hino . J90 производился на заводе Tahara Plant и предлагался как в версии с трехдверной короткой колесной базой и пятидверной версией с длинной колесной базой.
В Японии 3-дверная серия начиналась с R в серии от RZ, RX, RS до RJ, а 5-дверная линейка начиналась с T в серии от TZ, TX, TS, до TJ. Все модели поставлялись с передним двойным поперечным рычагом и четырехзвенной подвеской, а также с постоянным полным приводом. ABS и полевой монитор, показывающий высотомер, термометр и давление, были стандартными для всех моделей. Полевой монитор не был доступен в качестве стандартного оборудования в Южной Африке. Телевизионный дисплей и аудиосистема были необязательными.
Бензиновые двигатели включали 2,7 л (2693 куб. См) 3RZ-FE и, впервые в моделях Prado, 3,4 л (3378 куб. См) V6 5VZ-FE. Дизельными двигателями были 2,8 л (2776 куб. См) 3-литровый двигатель, 3,0-литровый (2986 куб. См) 5-литровый двигатель и 3,0 л (2982 куб. См) 1KZ-TE.
Также существовала роскошная версия J90 под названием Challenger. Требуется цитата Характеристики Challenger — стандартные кожаные сиденья и дерево на приборной панели.
К июню 1999 г. были внесены незначительные изменения. Чтобы соответствовать новым законам, на бампер были добавлены противотуманные фары, за исключением ЮАР. Чтобы уменьшить воровство, был доступен иммобилайзер двигателя. TX Limited с 8 использованными сиденьями База TX с рейлингом на крыше, заднее зеркало под зеркалом, отделка деревянной панели, подлокотник, оптитронный счетчик, охлаждение основания, а также задний обогреватель были представлены в этой серии.
В июле 2000 года Toyota представила турбодизель 1KD-FTV 3.0 с технологией D-4D для замены 1KZ-TE в Японии.
Prado производился Sofasa в Колумбии с 1999 по 2009 год без существенных изменений. Было две версии: 3-дверная с двигателем 2,7 л и 5-дверная с двигателем V6 3,4 л с 5-ступенчатой механической или 4-ступенчатой автоматической коробкой передач. необходима цитата В период с 2005 по 2009 год они предлагали дополнительную бронированную версию 5-дверной версии. необходима цитата
Когда Prado был запущен в Великобритании в 1996 году, он назывался Land Cruiser Colorado и заменил 4Runner , которые были сняты с продажи. Он был назван так, чтобы отличать его от более крупного Land Cruiser, переименованного в Land Cruiser Amazon, который уже продавался. В 2003 году он сбросил название Colorado , когда его переименовали просто в Land Cruiser. В Ирландии большинство автомобилей Land Cruiser продавались как коммерческие автомобили с удаленными задними боковыми окнами и сиденьями по причинам налогообложения.
1GD-FTV двигатель тойота, лексус, технические характеристики, основные неисправности
Выпускать двигатель начали в 2013 году, заменив устаревшую дизельную серию KD. Он широко используется автопроизводителем на больших пикапах и внедорожниках, а также микроавтобусах. Основной упор в этой модели сделан на экологию и рассчитывался, в первую очередь, для рынков Америки и Европы, где требования к экологическим параметрам очень высокие. Для этого в дизельной модели были использованы самые передовые системы защиты окружающей среды.
Технические характеристики
Двигатели серии GD – это усовершенствованные модели, позволившие устранить проблемы, которые были у предыдущих версий – шум, низкие характеристики, плохие показатели экологии, большой расход топлива и трескающиеся поршни. Единственное, чего не смогли добиться инженеры – это увеличение динамики, причиной тому стали настройки и эконормативы. Однако по сравнению с предшественниками мотор получил меньший объем, но больше мощности. 1GD-FTV позволил значительно снизить шум и вибрации двигателя. Производится силовой агрегат на заводе Toyota Motor Corporation.
Технические характеристики 1GD-FTV
| Тип | Рядный, имеет 4 цилиндра, по 4 клапана на цилиндр, прямой впрыск, наддув, DOHC, цепной привод ГРМ, гидрокомпенсаторы, Common-Rail, EGR, DOC, DPF, SCR, турбина, система Старт/Стоп |
| Объем | 2754 см3 |
| Блок цилиндров | Чугунная, головка блоков цилиндров алюминиевая |
| Диаметр цилиндра | 92-98 мм |
| Ход поршня | 103,6 мм |
| Степень сжатия | 15,6-17,9 |
| Крутящий момент: Нм/об.мин | 300/3400-450/3000 |
| Мощность: л.с./об.мин | 150/3600-177/3400 |
| Вес | 270 кг |
| Топливо | Дизель Расход на 100 км/л:
· трасса – 7,7 · город – 10 · смешанный – 8,5 |
| Масло | 0W-30/5W-30. Расход масла до 1000 гр/1 тыс. км. В двигателе 7,7 л масла. Проводится замена каждых 5-10 тыс. км пробега |
На автомобиль установлены системы экологичности, которые регулируются нормами Евро 2/4 (страны третьего мира), 5 для России и Австралии, 6 для Японии и Европы. Ресурс силового агрегата достигает 400 тысяч километров.
Основные неисправности
Новые технологии и инженерные разработки позволили создать довольно экономичный и мощный двигатель с большим ресурсом. Но у него есть недостатки, которые приходится устранять по мере эксплуатации:
- Попадание пыли во впускной тракт. Происходит это за воздушным фильтром. В результате возникает загрязнение сенсора MAF, что ведет к потере мощности и ряду других ошибок в системе впуска. Необходимо обращаться к специалистам для решения проблемы.
- Разрушение или поломка свечей накаливания. Система выдает ошибку. Рекомендуется поменять свечи на модернизированные, также провести прошивку электронного блока управления. В самом плохом случае необходимо проверить камеры сгорания – есть вероятность, что сломаны наконечники.
- Износ ролеров и распределительных валов. Выражается неустойчивой работой на холостом ходу. Необходимо заменить все ролеры и распредвалы на модернизированные.
На японских двигателях, которые выпущены в период с марта по июнь 2021 года выявлен дефект – некорректная затяжка топливной трубки между рампой и ТНВД. Это ведет к ослаблению затяжки и утечке топлива. Требуется замена держателя и трубки. Также много вопросов вызывают экологические системы, поскольку их элементы быстро изнашиваются, а стоимость деталей очень высокая.
Мотор монтируется на автомобили Toyota Fortuner, GranAce, Hiace, Hilux Pick Up, Land Cruiser Prado, Regius Ace.
Японский автопроизводитель постарался создать двигатель, который сможет удовлетворить запросы любителей больших внедорожников – будет одновременно мощным и экономичным. Инженерам компании это удалось, но мотор получил ряд минусов, которые довольно легко решаются. Особенностью этого силового агрегата является то, что для разных стран предлагались модели двигателей с экологическими нормами Евро2-6. Изменение параметров осуществляется благодаря установке дополнительных систем, элементы которых быстро изнашиваются, а стоимость деталей очень высокая. Looks like you have blocked notifications!
Неисправности и ремонт двигателя 2GR
В процессе эксплуатации мотора Тойота 2GR наблюдаются следующие характерные поломки:
1) Утечка моторного масла из-за механического разрыва резиновой вставки масляного патрубка. При возникновении повреждения в процессе движения автомобиля, происходит резкое снижение уровня масла. Что может привести к полному выходу мотора из строя. Дефект устраняется путем замены масляного патрубка на металлический;

Блок 2GR
2) Шумная работа помпы с образованием течи охлаждающей жидкости. Как правило, указанных дефект проявляется при пробеге в пятьдесят тысяч километров. Решается путем замены помпы;
3) Проблемы с осуществлением повторного запуска мотора при отрицательных температурах. Для ее устранения потребуется заменить монтажный блок;
4) Проявление ошибок в системе газораспределения фаз, сопровождающихся посторонними шумами из под крышки головки во время запуска двигателя. Неисправность обусловлена спецификой работы заводских звездочек VVT. Для ее устранения потребуется заменить отдельные элементы, входящие в ГРМ, на модифицированные версии;

Головка блока цилиндров
5) Пониженные обороты холостого хода. Проблема возникает из-за засорения дроссельной заслонки, что требует выполнения ее чистки;
6) Периодический выход из строя катушек зажигания;
7) Проблема 5 цилиндра. При даже небольшом отклонение в работе системы охлаждения перегревается именно 5 цилиндр. Это приводит к серьезным поломкам: стенки цилиндра задирает, силовая установка начинает активно расходовать масло. Решается эта проблема внимательным отношением к системе охлаждения, т.е. регулярные промывки и чистки радиатора, замена охлаждающей жидкости. Если цилиндр уже задран, то блок под замену.
Косвенные недостатки, не характеризующие надежность мотора:
- пониженный ресурс трансмиссии из-за высокой отдачи ДВС, что обусловлено его поперечным расположением;
- затруднительный доступ к отдельным элементам двигателя, что сопровождается сложностями при техническом обслуживании.

Крышка ГРМ со встроенными насосами охлаждающей жидкости и масла Капитальный ремонт моторов серии 2GR не предусмотрен заводом изготовителем. При выходе из строя отдельных узлов силового агрегата, понадобится выполнить замену всего ДВС. Как правило, для этого используют контрактные силовые агрегаты.
Одноклассники • Комплектация и стоимость
| Расход топлива бензинового prado 150. — Toyota Land Cruiser Prado, 4. 0 liter, 2013 year on DRIVE2Кроме того, наш подопытный не имеет никакой управляющей и помогающей электроники, зато имеет принудительную блокировку заднего межколёсного дифференциала. На лаконично оформленном профиле кузова видим стильный рисунок крупных колёсных дисков в зависимости от уровня комплектации автомобиля устанавливаются семнадцатидюймовые или восемнадцатидюймовые колёсные диски , трапециевидные колёсные арки, крупные, украшенные снизу аккуратной выштамповкой, боковые двери, ровную, оборудованную рейлингами, крышу, массивную корму. |
| С каким двигателем лучше покупать прадо0 л оснащен системой турбонаддува затрачивает на шоссе до 9,6 л солярки, в городе расход не превышает 13,2 л на 100 км пробега при условии нормальной загрузки и исправного силового агрегата. 9 литра, 177 лошадиных сил, 420 ньютон на метр может работать как с 6-ти скоростной механической коробкой переключения передач, так и с 6-ти скоростным автоматом. |
- Владимир, Тверь. У официалов продаются 3 модели тойота ленд крузер прадо 150 series в четвёртом выпуске . Первый всегда четвёрка с 163 лошадками и 2.7 литра. В городе максимум 16 л, на трассе при скорости 100-110 км в час —12 литров на сотню. Вторая модель шестёрка с 282 лошадками в 4 литра — по городу 15-18 л., а на трассе не более 13 литров. Третья модель — четырёхцилиндровый турбодизель в 3.0 литра с мощностью 173 лошадки и 410 Нм. По городу не более 10-11 литров и на трассе 7-7.5 литра—это самая верная инфа, с прибавкой на 1-2 года эксплуатации, по-этому практически все модели тойот стали уже очень давно народными авто из-за простых движков, экономичности, качества сборки, надёжности и достаточного комфорта за эти деньги, вам удачи. Дизель в 19 литров может кушать только 14 летний в старом 120 кузове с пробегом около 300 тыс. км.
- Кирилл, Москва. У бензинового 2,7 л. расход в городе меньше 17 не бывает, по трассе бывает 10,5, если топить 100 км.ч. Зимой расход по городу до 22 л. при средней скорости 18 км.ч. Для спокойной езды силенок хватает. На трассе резвые обгоны противопоказаны, разгон с 80 до 110 км.ч. уж сильно медленный. Проглот еще тот, поставил газ, в городе расход 20 л, расход газа небольшой. Динамика не изменилась. Запаску снизу срезали под установку баллона. Третий ряд сидений снял за ненадобностью, увеличив обьем багажника. Проехал 14000 км. К вопросу о динамике — разница безусловно с 4.0 есть в размере 90 л.с. (или сколько там), но у меня был осознанный выбор, мотивированный ценой и отсутствием желания погонять. Были бы свободные деньги, купил бы 4 литра, но только для быстрого и более безопасного обгона.
- Андрей, Самара. Движок дизель с объемом 3 литра 2010 года. На морозе (-28) заводится без вопросов. Расход по трассе 8,5 л/100км, по городу 12,3 л/100км (Зима), обкатается. И летом я думаю поменьше будет. За время эксплуатации уменьшился расход «саляры» на 100 км. По городу в настоящий момент «кушает» 10,3 л/100км, а по трассе 7,7 л. Максимум 140 км/ч — больше не разгонялся (по трассе обычно держу 120 км/ч).
- Игорь, Красноярск. Тойота ленд крузер прадо 2020 г. дизельный 2,8 литра — самый экономичный из всех Прадо. По трассе кушает 7,5-8 л на сотку, в городе 10-11 литров. А еще он гораздо тише бензинового собрата — тот как трактор тарахтит. Хотя шумоизоляция у них у всех страдает.
- Геннадий, Муром. Да, 2.8 л турбодизель 2018 года — реальная экономия. Расход топлива на 100 км по городу у меня не больше десяти литров, а по трассе около семи! И это полноприводный внедорожник. Покупал супруге, но гоняю теперь сам.
- Валерий, Ульяновск. Расход топлива Ленд Крузер Прадо с бензиновым движком 2 7 л. довольно большой — по городу 16 набегает, а на трассе потребляет 11-12. Заправляю и АИ 92 и 95 на Роснефти. Надо было сразу новый турбодизель брать — он и потише будет, и потяговитее, и расход вообще смешной для джипаря.
- Автор материала
- Другие материалы
Расход топлива «Ленд — Крузер – Прадо» 2,7 составляет 11,3 – 12,5 литров в зависимости от того, к какому классу относится автомобиль:
Трансмиссия и выходы остаются такими же, как и раньше. 2,7-литровый рядный 4-цилиндровый двигатель мощностью 164 лошадиных силы и 246 Нм крутящего момента. Учитывая тот факт, что его заявленная экономия в 10,6 км/л не очень важна по сравнению с респектабельным 10,1 км/л двигателя V6 для V6, автомобиль можно рекомендовать как выгодное в плане потребления горючего транспортное средство.
Сайт автоэлектрика. Практика ремонта, электросхемы и т.д.

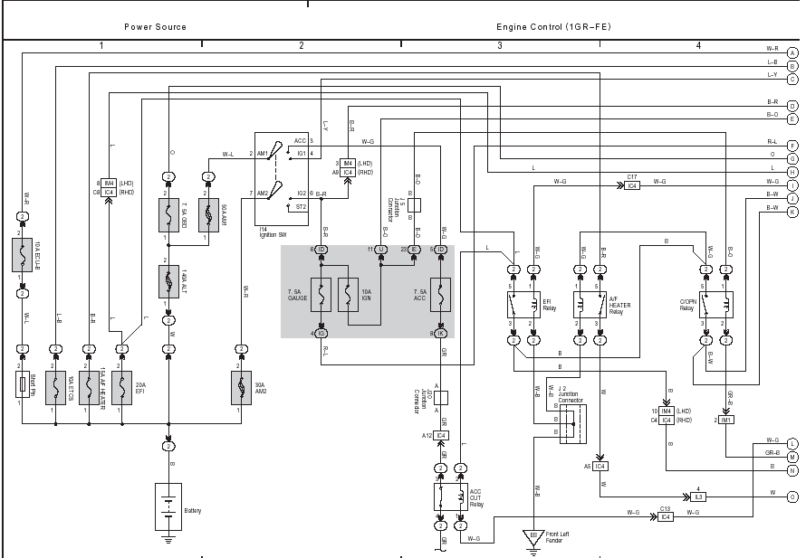
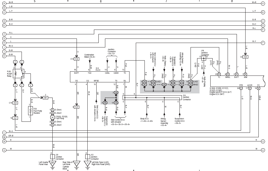
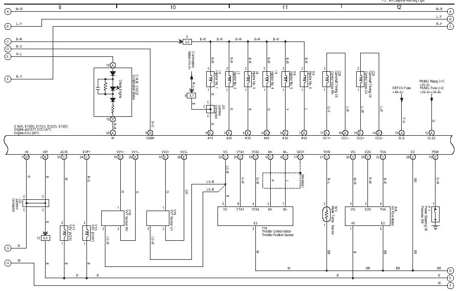
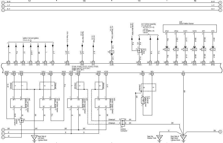
Схема системы впрыска прадо 120 1GR-FE
Схема включения бензонасоса на прадо 120 полностью аналогична сотому крузеру, тут описание подробное.

Схема EFI relay, A/F Heater relay, C/OPN Relay, ACC CUT Relay (отключает цепь аксессуаров во время вращения стартера, управляется от блока управления двигателя)

Схема реле FUEL PUMP Relay, бензонасоса, дополнительного резистора бензонасоса, диагностического разъёма.

Схема топливных форсунок, лампы чек енджин, датчиков положения коленвала и распредвала, клапанов ввт, расходомера воздуха, электронной дроссельной заслонки, датчика температуры охлаждающей жидкости.

Схема датчиков кислорода, электронной педали акселератора.

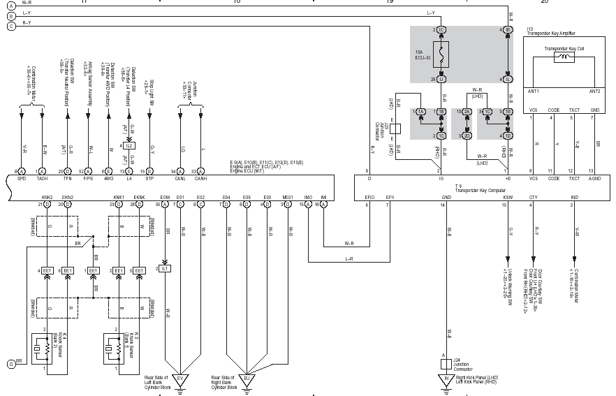
Схема датчиков детонации, блока иммобилайзера Transponder Key Computer Amplifer
Двигатель Toyota 1GR-FE
Двигатель Toyota 1GR-FE относится к бензиновым двигателям V6 производства Toyota. Первая версия данного двигателя была выпущена в 2002-ом году и постепенно стала вытеснять с автомобильного рынка устаревающие 3,4-литровые двигатели 5VZ-FE. Новый 1GR выгодно отличался от предшественников рабочим объемом в 4 литра. Двигатель вышел не слишком оборотистым, но достаточно моментным. Кроме 5VZ-FE задачей двигателя 1GR-FE также была постепенная замена устаревающих двигателей серий MZ, JZ и VZ.

1GR-FE можно встретить только на внедорожниках, что очевидно из его технических характеристик. Рабочий объем 1GR-FE составляет 4 литра (3956 кубических сантиметра). Предназначается для продольной установки. Цилиндры 1GR-FE фактически образуют квадрат двигателя. Диаметр цилиндров составляет 94 миллиметра, ход поршня — 95 миллиметров. Максимальные показатели мощности двигателя достигаются при 5200 оборотах в минуту. Мощность двигателя при таком количестве оборотов составляет 236 лошадиных сил. Но, несмотря на такие серьезные показатели мощности, двигатель имеет отличный момент, пик которого достигается при 3700 оборотах в минуту и составляет 377 Нм.

Особой характеристикой нового двигателя, которая приятно удивит автолюбителей, является наличие чугунных гильз, впресованых по новой технологии и имеющих отличную адгезию с алюминиевым блоком. Расточить такие тонкие гильзы, к сожалению, не получится. Если будут повреждены стенки цилиндра, то из-за возникновения задиров и глубоких царапин придется целиком менять блок цилиндра. В целях увеличения жесткости блока разработали специальную рубашку охлаждения, которая призвана предотвращать перегрев блока и распределять температуру равномерно по всему цилиндру. Ниже представлена детальная таблица моделей автомобилей, на которые устанавливался и до сих пор устанавливается двигатель 1GR-FE.
| Название модели | Период, в который двигатель 1GR-FE устанавливался на данную модель (года) |
|---|---|
| Toyota 4Runner N210 | 2002-2009 |
| Toyota Hilux AN10 | 2004-2015 |
| Toyota Tundra XK30 | 2005-2006 |
| Toyota Fortuner AN50 | 2004-2015 |
| Toyota Land Cruiser Prado J120 | 2002-2009 |
| Toyota Land Cruiser J200 | 2007-2011 |
| Toyota 4Runner N280 | 2009 – настоящее время |
| Toyota Hilux AN120 | 2015 – настоящее время |
| Toyota Tundra XK50 | 2006 – настоящее время |
| Toyota Fortuner AN160 | 2015 – настоящее время |
| Toyota Land Cruiser Prado J150 | 2009 – настоящее время |
| Toyota FJ Cruiser J15 | 2006 – 2017 |
Кроме автомобилей марки Toyota, 1GR-FE также с 2012-го года устанавливается на автомобили Lexus модели GX 400 J150.

- Двигатель производится концернами: Kamigo Plant, Shimoyama Plant, Tahara Plant, Toyota Motor Manufacturing Alabama.
- Официальная марка двигателя — Toyota 1GR.
- Годы производства: с 2002-го года по наши дни.
- Материал, из которого изготовляются блоки цилиндров: высококачественный алюминий.
- Система подачи топлива: инжекторные форсунки.
- Тип двигателя: V-образный.
- Количество цилиндров в двигателе: 6.
- Количество клапанов на цилиндр: 4.
- Ход поршня в миллиметрах: 95.
- Диаметр цилиндра в миллиметрах: 94.
- Степень сжатия: 10; 10,4.
- Объем двигателя в кубических сантиметрах: 3956.
- Мощности двигателя в лошадиных силах на обороты в минуту: 236 при 5200, 239 при 5200, 270 при 5600, 285 при 5600.
- Крутящий момент в Нм на обороты в минуту: 361/4000, 377/3700, 377/4400, 387/4400.
- Вид топлива: 95-октановый бензин.
- Экологическая норма: Евро 5.
- Общая масса двигателя: 166 килограмм.
- Расход топлива в литрах на 100 километров: в городе 14,7 литров, на трассе 11,8 литров, в смешанных условиях 13,8 литров.
- Расход моторного масла в граммах на 1000 километров: до 1000 грамм.
- Масло в двигатель: 5W-30.
- Сколько масла в двигателе: 5,2.
- Замена масла проводится раз в 10000 (минимум 5000) километров.
- Ресурс двигателя в километрах, выявленный в результате опроса автовладельцев: 300+.



























