Замена подрулевого переключателя поворотов и дворников на Приоре
Итак, данные детали меняются довольно просто, и для выполнения этого нехитрого ремонта понадобится максимум одна крестообразная отвертка. Она нам будет нужна для откручивания винтов крепления кожуха рулевой колонки, так как его предварительно необходимо будет снять.
После чего вся конструкция и крепления переключателей становятся доступны. Для того, чтобы произвести замену, необходимо прижать с обеих сторон пластиковые фиксаторы (сверху и снизу) и одновременно потянуть в сторону.

В результате чего переключатель полностью вынимается из своего посадочного места, что и наглядно продемонстрировано ниже.

Чтобы окончательно снять его, следует отсоединить колодку с проводами питания с внутренней стороны.

Стоит обратить внимание, что в случае снятия правого подрулевого переключателя дополнительно требуется отсоединить еще один провод, который идет на кнопку управления штатным бортовым компьютером

В случае с правым выключателем, ничего дополнительно не требуется. Установка происходит в обратной последовательности. Поменять данные детали можно всего за 10 минут, даже с учетом того, что делать вы это будете впервые.
Goeden dag (Худэн дах, нидерландский) дорогие подписчики и гости странички.
Сегодня речь пойдет о замене подрулевых переключателей от приора 2.Каталожные номера: 11180-3709330-00 — Переключатель световой сигнализации — ориентировочная цена 450р 11190-3709340-20 — Переключатель стеклоочистителя Люкс с круиз контролем — цена 1200р Внешний вид. Читать дальше: Перетяжка салона хендай солярис Замена не составляет труда даже для людей не посвященных. 1. Снимаем кожух рулевого вала 2. Отключаем разъемы подходящие к переключателям 3 Сжимая защелки вытаскиваем переключатель из места крепления (соединителя) 4.Собираем в обратном порядке
НО (!) все было бы слишком просто если все ограничилось этим списком. ВАЖНАЯ ИНФОРМАЦИЯ ДЛЯ ВЛАДЕЛЬЦЕВ КОМБИНАЦИИ ПРИБОРОВ GAMMA GF822При включении зажигания после установки переключателя 11190-3709340-20 комбинация уходит в режим ошибки и сбрасывает все настройки к заводским.Вся причина в том, что штатный переключатель управляет сигналом, замыкая контакты на массу. В новом же переключателе немного другая схема реализации основанная на различных сопротивлениях . Да и количество коммутируемых сигналов с 3 увеличилось до 6 , при той же шине в 4 провода.Выход из ситуации1. Разбираем переключатель стеклоочистителей и видим такую картину. Штатные переключатели без проблем можно заменить на подрулевые переключатели от Шеви Нивы, Калины, Приоры.
Lada 2106 танк › Logbook › Восстановление подрулевого переключателя
Возникла у меня неприятность — не стал отщелкиваться автоматически переключатель поворотников. Вроде мелочь, а неприятно решено было делать вскрытие так как нового в магазине нет а уж если решено делать то надо что-то делать.Как выяснилось — виновата вот эта деталь

С донора был снят запасной переключатель но он был еще в более худшем состоянии, тогда я высверлил 2алюминиевые заклепки

и отстыковал держатель переключателя от самого переключателя. Далее высверливаем еще 2 заклепки самого переключателя

Разобрав переключатель очень рекомендуется не пролюбить 3 шарика — фиксатора. Сняв механизм автоотключения был выявлен деффект пружинки — она сломилась с одной стороны. Отмотав 1 виток восстанавливаем ее.

И собираем все с матом в обранной последовательности. Удаленные заклепки делаем заклепочным пистолетом. В результате имеем рабочий подрулевой выключатель

Надеюсь данная стстья будет кому-то полезна
Источник
Как включить габариты, ближний и дальний свет фар на ВАЗ 2107
Всем привет сегодня хочется рассмотреть, как включить и выключить габариты, ближний и дальний свет фар на автомобиле ВАЗ 2107(семёрка). Конечно же, данная статья рассчитана для новичков или для тех, кто только приобрел, Жигули и ещё не успел ознакомиться с органами управления фарами.

Блок управления фарами ВАЗ 2107 находится по середине около рычага переключения передач. Кнопка слева, на которой нарисована лампочка, имеет три положения. В первом — наружное освещение выключено, во втором — включены габаритный свет, лампы освещения номерного знака и лампы подсветки приборов, в третьем — дополнительно включается ближний свет фар на автомобиле ваз 2107.

Итак для того чтобы включить габаритные огни нужно переключатель установить во второе положение. После включения на комбинации приборов загорится индикатор в виде лампочки зелёного цвета.
Для того чтобы включить ближний свет фар нужно переключатель установить в третье положение.Для того чтобы включить дальний свет фар нужно при включённом ближнем свете подрулевой переключатель слева установить в положение 1 как бы вниз, после чего на панели приборов загорится синий индикатор дальнего света.

Для того чтобы поморгать дальним светом на семёрке нужно подрулевой переключатель нажимать в положение 2 (не фиксированное положение) работает вне зависимости включено зажигание или нет.
Ну, вот и всё на этом мы узнали, как включить габариты ближний и дальний свет фар на народном автомобиле ВАЗ 2107. Всем пока.
Рулевой переключатель ваз 2107
НЕРАЗБОРНОЕ? НУ И ЧТО
Отказавший блок подрулевых переключателей на “Жигулях” не обязательно требует замены. Отказал подрулевой переключатель. Что делать? Неопытный автовладелец обычно пытается его снять, а затем разобрать и устранить неисправность. Но почти всегда порыв энтузиазма заканчивается уже при попытке разобрать устройство – оно спроектировано как неразборное. Опытный автолюбитель, убедившись в том, что вовремя переключить свет фар или включить стеклоочиститель уже невозможно, с грустью направляется в автомагазин. Блок переключателей – штука не из дешевых.
Между тем, починить его можно, затратив совсем немного времени. Были бы, как говорится, руки и желание.
| Итак, снимаем с машины переключатель. | Начинаем разборку, высверлив две заклепки сверлом диаметром 4 мм. |
| Вот и результат… | … позволяющий снять пластмассовый хвостовик. |
| Теперь вы видите заклепки на разрезном металлическом кольце. Их нужно тоже высверлить, но можно “обезглавить” кусачками-бокорезами, а остатки – выбить. Это – дело вкуса и возможностей. | Снимаем разрезное кольцо… |
| …а дальнейшая разборка переключателя в специальном описании не нуждается. |
Очистив грязные или окислившиеся контакты, немного отогнув “просевшие” пружинки и т. п., как правило, удается восстановить работоспособность переключателя. Собираем его, как обычно, “в обратном порядке”, при этом высверленные заклепки меняем на винты М5.
| Для этого метчиком М5 в отверстиях разрезного кольца, предназначавшихся раньше для заклепок, нарезаем резьбу. | Перед сборкой проверяем качество резьбы, завернув винт. |
Чтобы собранный переключатель от вибраций самопроизвольно не разбирался, рекомендуем закрепить винты в резьбе – например, клеем “Локтайт” средней фиксации.
Подрулевой переключатель на автомобилях ВАЗ классического семейства, в том числе и ВАЗ 2107, предназначен для включения таких электроприборов как:
- ближний и дальний свет
- повороты
- стеклоочистители и омыватели стекол
Конструкция данного переключателя довольно долговечная, но время от времени эту деталь все равно приходится менять. В этой процедуре нет ничего сложного, и даже новичок сможет справиться с этим ремонтов самостоятельно, достаточно лишь иметь по рукой головку на 8 с воротком или трещоткой, а также небольшой удлинитель:

Но прежде, чем приступать к выполнению данной операции, сначала нужно будет снять руль, а также кожух рулевой колонки. После выполнения этих шагов доступ к переключателю становится свободным и можно приступать к его снятию. Первым делом отсоединяем колодку проводов:

Затем берем ключ и отворачиваем болтик, с помощью которого крепится данная деталь. Более наглядно это представлено на фото ниже:

Вот так сбоку это видно намного ниже:

После этого берем сверху за переключатель и снимаем его с рулевого вала ВАЗ 2107:

Окончательный результат проделанной работы показан на представленной фотографии ниже:

Стоимость данной запчасти не так велика и за 300 рублей можно найти точно, если не в магазине, то уж на авторазборке точно. Замена осуществляется в обратной последовательности и никаких проблем возникнуть не должно.
1200 руб. за фотоотчёт
Платим за фотоотчёты по ремонту авто. Заработок от 10 000 руб/мес.
Пишите:
Конструкция под рулевого переключателя на автомобиле ВАЗ 2107, сконструирована довольно таки надёжно и замена его редкий случай. Но если под рулевой переключатель всё таки вышел из строя, то наш фото отчёт подробно поможет вам разобраться как произвести замену подрулевого переключателя на автомобиле ВАЗ 2107. Сама о себе замена донной детали очень простая, справиться с этим сможет даже новичок.
В первую очередь перед началом данной работы необходимо будет снять руль. Для всего процесса вам потребуется лишь гаечный ключик на 8.
Функции которые выполняет данный девай:
- Свет: ближний, дальний;
- Повороты: левый, правый;
- Стеклоочистители: разные режимы работы;
- Омыватель стекол;
Но прежде, чем приступать к выполнению данной операции, сначала нужно будет снять руль, а также кожух рулевой колонки. После выполнения этих шагов доступ к переключателю становится свободным и можно приступать к его снятию. Первым делом отсоединяем колодку проводов.
Затем берем ключ и отворачиваем болтик, с помощью которого крепится данная деталь.
Вот так сбоку это видно намного ниже.
После этого берем сверху за переключатель и снимаем его с рулевого вала ВАЗ 2107.
Окончательный результат проделанной работы показан на представленной фотографии ниже.Замена осуществляется в обратной последовательности и никаких проблем возникнуть не должно.
Подпишись
на наш канал вЯ ндекс.Дзене Еще больше полезных советов в удобном формате
Взаимозаменяемость подрулевых переключателей, от ВАЗ 2105 на ВАЗ 2106
Renault Logan снять замена ремонт Подрулевые переключатели Рено Логан
Renault Logan > Оборудование и органы управления > Подрулевые переключатели Рено Логан
- На левом комбинированном подрулевом переключателе установлены: – выключатель габаритного света; – переключатель света фар; – выключатель противотуманных фар; – выключатель заднего противотуманного фонаря; – выключатель указателей поворота; – выключатель звукового сигнала.
- Для включения или выключения приборов наружного освещения независимо от положения ключа в замке зажигания поворачиваем рукоятку, расположенную на конце левого подрулевого переключателя.
- Положения рукоятки центрального выключателя освещения: 1 — наружное освещение выключено; 2 — включены: габаритный свет, освещение номерного знака, подсветка комбинации приборов и органов управления;
- 3 — включены: габаритный свет, освещение номерного знака, подсветка комбинации приборов и органов управления, горит головной свет фар (ближний или дальний, в зависимости от положения переключателя света фар); стрелкой обозначена кнопка звукового сигнала
При включенном наружном освещении и открытой водительской двери (независимо от положения ключа в замке зажигания) раздается предупредительный звуковой сигнал, напоминающий о необходимости выключить освещение. Для кратковременного включения дальнего света фар независимо от положения рукоятки центрального выключателя освещения и ключа в замке зажигания переводим рычаг подрулевого переключателя на себя. При отпускании рычаг возвратится в исходное положение. Для постоянного включения дальнего света фар поворачиваем рукоятку центрального выключателя освещения в положение «3» (см. выше) и переводим рычаг на себя еще больше, чем при кратковременном включении. При включении дальнего света фар в комбинации приборов синим светом загорается соответствующий сигнализатор. Чтобы переключить дальний свет на ближний, еще раз передвигаем рычаг на себя.
Положения рукояток при включении противотуманных фар и заднего противотуманного фонаря Для включения противотуманных фар включаем габаритный свет, установив рукоятку на конце переключателя в положение «2», и поворачиваем вторую рукоятку в положение «A».
При включении противотуманных фар в комбинации приборов загорается соответствующий сигнализатор. Для включения заднего противотуманного фонаря включаем габаритный свет, установив рукоятку на конце переключателя в положение «2» и поворачиваем вторую рукоятку в положение «B», при этом горят и противотуманные фары.
При включении заднего противотуманного фонаря в комбинации приборов загорается соответствующий сигнализатор. Для включения звукового сигнала нажимаем кнопку на торце левого подрулевого переключателя.
Указатели поворота включаются при перемещении левого комбинированного подрулевого переключателя вверх или вниз до упора (при включенном зажигании). В верхнем положении рычага включен правый указатель поворота, в нижнем — левый.
При возврате рулевого колеса в нейтральное положение подрулевой переключатель автоматически переводится в исходное положение и указатели поворота выключаются. Для кратковременного включения указателей поворота переводим рычаг вверх или вниз до их включения. После отпускания рычаг автоматически возвращается в нейтральное положение.
Правый подрулевой переключатель управляет работой очистителя и омывателя ветрового стекла, а также отвечает за отображение данных на дисплее бортового компьютера.
Правый подрулевой переключатель Рено Логан (стрелкой обозначена кнопка управления отображением данных на дисплее бортового компьютера)
Очиститель и омыватель работают при включенном зажигании. Для включения очистителя ветрового стекла переводим правый подрулевой переключатель в одно из нижних положений.
Режимы работы очистителя ветрового стекла сверху вниз: – очиститель выключен (исходное положение); – прерывистый режим работы очистителя; – постоянный режим работы очистителя с низкой скоростью; – постоянный режим работы очистителя с высокой скоростью.
Для включения омывателя ветрового стекла переводим на себя рычаг правого подрулевого переключателя и удерживаем его, при этом очиститель ветрового стекла автоматически не включается.
Для одновременной работы очистителя и омывателя ветрового стекла переводим правый подрулевой переключатель на себя и затем вниз — в один из трех режимов работы очистителя, включив таким образом омыватель и очиститель.
При эксплуатации автомобиля в зимний период щетки очистителя во время стоянки могут примерзнуть к стеклам. Включение очистителя в это время может привести к выходу из строя его электродвигателя. Перед включением очистителя следует освободить примерзшие к стеклам щетки.
Снятие и установка плафона подсветки порога в боковом зеркале
Подсветка в боковом зеркале для облегчения посадки стороны водителя -W52- или подсветка в боковом зеркале для облегчения посадки стороны переднего пассажира -W53- установлена в нижней части корпуса левого или правого наружного зеркала. Замена лампы накаливания подсвети порога описана ниже.
Инструкция: При повреждении рассеивателя следует заменить плафон подсветки порога в боковом зеркале вместе с нижней частью корпуса наружного зеркала заднего вида. Замена ламп в правом и левом боковых зеркалах выполняется одинаково, поэтому описание приводится только для одной стороны.
- Первым делом выключаем зажигание и открываем капот.
- Находим патрон лампы поворотника и проворачиваем его против часовой стрелки.
- Извлекаем патрон вместе с лампой, не отсоединяя контакты.
- Заменяем прогоревшую лампу на новую и вставляем патрон обратно в указатель.
- Закручиваем патрон по часовой стрелки.

- Снимаем боковой повторитель, отодвинув его вперёд на 3-4мм, и вытащив заднюю его часть из под крыла.
- Вынимаем полностью боковой указатель.
- Вытаскиваем резиновый чехол из отверстия переднего крыла
- Извлекаем патрон вместе с чехлом
- Вынимаем лампу и заменяем её.
- Устанавливаем в обратном порядке.
Подрулевые переключатели от toyota
Потребуется: подрулевые переключатели от Toyota (в данном примере от Camry).
Схема подключения:
Пояснения автора ( niva630 ):
- Делал переходник для крепления рычагов к рулевой колонке (схема ниже).
- Установил два реле на повороты, так как в переключателях Toyota всё управляется одним плюсом, а в Lada 4×4 через подрулевые идёт 5 вольт на реле-прерыватель.
- В переключателе Toyota не оказалось функции переключения дворников заднего стекла, пришлось подключить эту функцию на отдельную кнопку.
- После проверки всё работает нормально. Убрал лишние кнопки с панели. Свет управляется с переключателя.
Схема включения указателей поворота и аварийной сигнализации
Указатели поворотов включаются подрулевым переключателем. Режим аварийной сигнализации (мигают все указатели поворотов) включается выключателем, установленным на рулевой колонке. С 1995 г. в конструкции выключателя изменена схема подключения контрольной лампы и ликвидированы выводы «5» и «6».
Реле аварийной сигнализации должно обеспечивать мигание ламп указателей поворота с частотой 90±30 в минуту при температуре окружающего воздуха от –20 до 50° С и напряжении от 10,8 до 15 В. При перегорании одной из ламп указателя поворота частота мигания контрольной и оставшихся ламп удваивается.
| Реле установлено в салоне на передней панели за щитком приборов. | Схема включения аварийной сигнализацией и сигналами поворотов представлена на рисунке 2. |
Замена лампы бокового указателя поворота
Если на автомобиле установлен подкрылок, снимаем его.
| С внутренней стороны крыла снимаем защитный чехол вместе с патроном указателя поворота и меняем неисправную лампу. | Вставляем патрон в корпус указателя и надеваем защитный чехол. |
Замена бокового указателя поворота
1. С внутренней стороны крыла головкой «на 7» или отрезком трубы подходящего диаметра сжимаем усики фиксатора корпуса указателя и выталкиваем их в отверстие крыла.
Аналогично выталкиваем второй фиксатор и снимаем указатель.
Выводим провода наружу через отверстие крыла.
| 2. Для замены патрона снимаем его с проводов и подсоединяем к ним новый. | |
| 3. Вставляем лампу с патроном в корпус указателя. | 4. Совместив фиксаторы с отверстиями, устанавливаем указатель поворота на место. |
ПОДРОБНОСТИ: Фотоотчет по замене масла в двигателе Вольво XC90 Инструкция как поменять моторное масло в XC90
avtomechanic.ru
- Руководства по ремонту
- Руководство по ремонту ВАЗ 2105 (Жигули) 1980-1992 г.в.
- Схема включения указателей поворота и аварийной сигнализации
| 1 – блок-фары с передними указателями поворота; 2 – боковые указатели поворота; 3 – монтажный блок; 4 – реле зажигания; 5 – выключатель зажигания; 6 – реле-прерыватель указателей поворота и аварийной сигнализации; 7 – контрольная лампа указателей поворота, расположенная в спидометре; | 8 – задние фонари с лампами указателей поворота; 9 – выключатель аварийной сигнализации; 10 – переключатель указателей поворота в трехрычажном переключателе; А – к клемме “30” генератора; Б – нумерация штекеров в выключателе аварийной сигнализации; В – порядок условной нумерации штекеров в реле-прерывателе указателей поворота и аварийной сигнализации |
Самостоятельный ремонт автозапчастей – это ответственная задача, к которой стоит подходить максимально серьезно. Порой неисправность запчасти ставит водителя врасплох, вынуждая тратить массу времени и денег на поиск хорошего СТО, однако есть и альтернативный вариант решения проблемы, для этого нужен небольшой запас знаний и набор инструментов.
Когда ремонтируется схема включения указателей поворота и аварийной сигнализации ВАЗ 2105 Жигули, нужно быть предельно осторожным и не пренебрегать мелочами. Для ознакомления с вопросом нередко автолюбители используют различные интернет-порталы, посвященные автозапчастям.
Некоторые из них пользуются узконаправленными форумами. Но, как правило, там предоставляется исключительно обобщенная информация, которая известна изначально. Где же найти достоверный источник, предлагающий действительно полезные вещи? Наш портал открыт для этого 24 часа в сутки.
Подробное описание такого агрегата, как схема включения указателей поворота и аварийной сигнализации ВАЗ 2105 Жигули имеет хорошую структуру с тематическими заголовками. Кроме того, всегда есть возможность ознакомиться с тонкостями монтажа. Нередко встречаются ситуации, когда водитель уверен в своих силах, но когда берется за работу, начинают возникать вопросы.
Помимо руководства по ремонту, владелец личного авто сможет предотвратить массу поломок, возникающих из-за человеческого фактора, благодаря информации, расположенной на сайте. Пользователям представлена масса полезных рекомендаций для грамотной эксплуатации, которые помогут значительно подлить срок агрегата и избежать многих негативных последствий.
ПОДРОБНОСТИ: Замена сцепления Рено Логан — MegaSOS
Online-поддержка — это отличный и максимально удобный способ получения необходимой информации. Еще один веский плюс – статьи пишутся для людей. Мы понимаем, что читатель будет делать всё своими руками, и стараемся сделать так, чтобы это было как можно удобнее и эффективнее. Используйте ресурс в любое время суток и найдите ответ на любой интересующий вопрос, касающийся автомобилей.
Июль 13th, 2013 admin
Схема предохранителей и реле 2107
На более новых “семерках” установлен блок с 17 предохранителями и 6 реле. Предохранители ВАЗ 2107 на “новом” блоке защищают такие электроцепи и приборы:
- Лампы заднего ходы, вентилятор отопителя, контрольная лампа и реле обогревателя заднего стекла, двигатель заднего дворника и заднего насоса омывателя.
- Электромотор передних дворников.
- Резервное гнездо.
- Резервное гнездо.
- Питание электрообогрева заднего стекла.
- Часы, прикуриватель, питание розетки “переноски”.
- Сигнал и вентилятор радиатора.
- Лампы указателя поворотов в режиме “аварийки”.
- “Противотуманки” и реле, регулирующее напряжение бортовой сети.
- Лампы панели приборов.
- Лампы стоп-сигнала.
- Правая фара дальнего света.
- Левая фара дальнего света, контрольная лампа дальнего света.
- Габаритные огни (задний правый, передний левый), освещение номера и подкапотного пространства.
- Габаритные огни (задний левый, передний правый), лампы освещения “бардачка” и прикуривателя.
- Ближний свет (правая лампа).
- Ближний свет (левая лампа).
Реле блока выполняют такие функции:
- Реле обогрева заднего стекла.
- Реле очистителя и омывателя фар.
- Реле сигнала.
- Реле электровентилятора системы охлаждения.
- Реле дальнего света.
- Реле ближнего света.
Блок предохранителей ВАЗ 2107 (инжектор) не отличается от блока на карбюраторной “семерке”. Инжекторные модели просто оборудованы дополнительным блоком реле и предохранителей, устанавливаемым в салоне под “бардачком”. Блок включает три реле — “главное”, реле бензонасоса и реле вентилятора.
ВАЗ 2107 как разобрать переключатель поворотов на
Уважаемые посетители сайта «Все про авто»! Будем вам очень благодарны за комментарии к видео ролику «ВАЗ 2107 как разобрать переключатель поворотов на», для этого не требуется регистрация. Также просим сообщить вас если возникнут проблемы с проигрыванием видео.
Я в таких случаях изготавливал новый язычёк, сверлил дыру и сажал его на саморез в тоже место. Стоимость ремонта = 0 рублей.
19.11.2017 — 15:28 Максим Пастухов
03.11.2017 — 13:15 Lyova Pilot
Совет. Ещё можно не тонким слоем смазки смазать контактный диск, а обильно так вазелином. Он токопроводящий.
06.10.2017 — 06:21 Александр Большов
Перед снятием руля лучше метки маркером поставить
30.09.2017 — 11:32 Владимир Никитин Torvald
Снимается заначек ВАЗ, открывается доступ к гайке рулевого вала. Головкой на 24 откручиваете и снимаете рулевое колесо в сборе. Ни каких 4 болта с задней стороны откручивать не нужно.
09.09.2017 — 20:53 ASAN USEN
приору изменить тоже так да? Есть разница?
19.08.2017 — 19:05 виктор bees
Спасибо Роман, действительно хорошее видео , все так подробно и шаг за шагом. Как вы говорите удачи вам на дорогах , Роман У меня перестал работать сигнал вот как раз и воспользуюсь вашими советами
10.08.2017 — 16:25 виталий клименко
У меня через раз работает омыватель ветрового стекла, я думаю что нужно зачистить контакты, покажы пожалуйсто как разобрать подрулевой переключатель
23.07.2017 — 17:30 Игорь Федоров
Очень рад что подписался на Ваш очень полезный канал. Спасибо за сэкономленные нам деньги.
23.06.2017 — 15:42 Охмак Михаил
Роман Огромное спасибо за очень подробные видео, которые вы делаете касаемо ремонта тех или иных узлов автомобиля Вы во истину учитель
15.06.2017 — 00:12 Роспотребнадзор
я с вами не согласен не могу открутить эти болты на рулевом колесе их вообще не легко открутить смог открутить только один. что такое. почему не откручиваются?? целой пригадой пытались открутить не хера
08.06.2017 — 08:16 Александр Горбунов
11.05.2017 — 00:38 Олег Жемерин
спасибо огромное если бы не это видео, то дальше бы без сигнала как колхозник и ездил
27.04.2017 — 19:40 Centr-region. su
04.04.2017 — 17:58 Равиль Фаизов
когда купил семерку тоже сигнал не работал снял руль и увидел что хрени той нету которая замыкает при нажатие, поставил пружинку маленькую и все хорошо работает
15.03.2017 — 14:37 Равиль Фаизов
шлицы лучше смазать графитом и все будет заебись сниматься
20.02.2017 — 13:55 Владимир Васильевич
а этот переключатель ваще ремонтировать можно?у меня какой то шум треск идёт от него при повороте руля но всё работает?
15.02.2017 — 17:17 илья лазарев
а у меня автомобиль 1975 года и я столкнулся с такойже проблемой. всё снял, а фишки не 3 разные а одна на 2 контакта и 2 одинаковых на 6 контактов и вот что делать?
25.01.2017 — 05:36 Евгений Шабаев
подскажите пожалуйста пропал дальний и ближний свет, габариты работают может быть причина в подрулевом переключателе? асе релюхи и пред в норме
19.01.2017 — 08:57 Александр Реутов
Сколько не стучал — так и не выбил руль из шлицов. Какие еще способы есть для его снятия?
Схема подключения подрулевого переключателя
Переключатели, расположенные под рулевым колесом автомобиля ВАЗ-2107, при первых признаках неисправности требуют, прежде всего, найти причину, по которой не работает та или иная функция. На схеме показано какие контакты замыкаются между собой в разных положениях. Чтобы найти причину, сначала извлеките устройство и попытайтесь определить неисправность самостоятельно. Если не работают дворники или омыватель, перейдите сюда
Причин поломки не так много, но часто возникает необходимость замены устройства на новое. Итак, чтобы определить причины выхода из строя лепестковых переключателей, рассмотрим, из каких частей они состоят, а для этого нам поможет фото. Переключатели Ваз-2106 отличаются от 07 тем, что имеют три фиксированных положения переключателя освещения: 1) Габариты; 2) Ближний и габариты; 3) Дальний и габариты.
У 2107 же, габариты и свет включаются клавишей.
Переключатель подрулевой Ваз классика
Конструкция выключателей неразборная. При возникновении проблем с работой рычагов управления, разберите их и попытайтесь произвести ремонт. Если даже он выйдет из строя, вы всегда сможете купить новый компонент.
Снимают подрулевой переключатель на автомобиле ВАЗ-2107 в следующем порядке:
- Отключите автомобиль от источника питания и снимите рулевое колесо.
- Далее снимаем кожух, фиксирующий вал рулевой колонки, на котором закреплены рычаги управления. Для этого крестовой отверткой открутите 4 винта и самореза.
- После снятия корпуса переходим к самим рычагам. Отсоедините планку кабеля питания.
- Открутите винт, удерживающий переключатели, расположенный в нижней части.
- Ослабив крепление, вы сможете снять выключатель без особых усилий.
Теперь устройство можно отремонтировать, предварительно проверив его на наличие повреждений. Если их нет, очистите контакты в блоке разъемов и подогните просевшие пружины. Также проверьте, не был ли отпаян провод от блока. После ремонта необходимо проверить, устранили ли вы проблему. Для этого соедините колодки и установите клеммы на аккумулятор, если все функции работают, значит, ремонт прошел успешно.
Как производится замена устройства
Если после ремонта лепестковый переключатель не работает, то выхода нет, придется покупать новый. Стоимость такого переключателя на ВАЗ-2107 находится в районе 300-500 рублей
Это не слишком большие затраты для такого важного элемента управления. Теперь наступает время замены, которая заключается в удалении старого и установке на его место нового элемента
Как удалить неработающее устройство, уже известно, поэтому перейдем к делу. Для этого необходимо установить устройство на место, закрепить его и подключить провода питания. Замена не связана с какими-либо трудностями, после чего вы проверяете работоспособность устройства и устанавливаете кожух и рулевое колесо.
Процесс ремонта и замены переключателей под рулевым колесом занимает не более часа, после чего устройство будет работать так, как будто автомобиль только что прибыл из салона.
Подрулевой переключатель на автомобилях ВАЗ и не только, предназначен для приведения в действие таких электроприборов как:
- включение и выключение поворотов;
- если нужно воспользоваться стеклоочистителем или омывателем.
Благодаря переключателю, действия водителя за рулем во многом упрощаются. Без надобности отвлекаться на поиски того или иного переключателя для запуска необходимой функции
Именно поэтому наличие такого механизма является важной составляющей в управлении автомобилем
Демонтируем переключатель
Чтобы заменить переключатель, нужно:
- Снять накладку рулевого колеса или с обратной стороны руля отвернуть винты крепления кнопки сигнала;
Отворачиваем винты и снимаем кнопку сигнала с руля
Отвернуть гайку крепления рулевого колеса
Снимаем пластиковый кожух
Крепление подрулевого переключателя
Новую деталь устанавливают по такому же принципу в обратном порядке.
Деталь старого и нового образца
Подбор новой детали для ВАЗ-2110 не такое простое дело. Не все знают, что существуют трапеции старого и нового образца.
Поэтому лучше снять старую деталь, и пойти с ней в автомагазин запчастей. Они не только крепятся по-разному, но и отличаются разъёмами, через которые происходит подключение к моторчику. Если найти трапецию старого образца не удастся, а у вас именно такая – придётся переделывать систему или искать бывшую в употреблении деталь.
- Как правило, в продаже имеются трапеции нового образца, от различных производителей. Одна из популярных моделей имеет артикул VLT2110–5205010-Р.
Если моторчик стеклоочистителя исправен, можно поменять только саму трапецию.
Конструкция и ремонт указателей поворотов ВАЗ-2107
Указатели поворотов включаются подрулевым переключателем. Режим аварийной сигнализации (мигают все указатели поворотов) включается выключателем, установленным на рулевой колонке. С 1995 г. в конструкции выключателя изменена схема подключения контрольной лампы и ликвидированы выводы «5» и «6».
Реле аварийной сигнализации должно обеспечивать мигание ламп указателей поворота с частотой 90±30 в минуту при температуре окружающего воздуха от –20 до +50° С и напряжении от 10,8 до 15 В. При перегорании одной из ламп указателя поворота частота мигания контрольной и оставшихся ламп удваивается.
|
Реле установлено в салоне на передней панели за щитком приборов. |
Схема включения аварийной сигнализацией и сигналами поворотов представлена на рисунке 2. |
Замена лампы бокового указателя поворота
Если на автомобиле установлен подкрылок, снимаем его.
|
С внутренней стороны крыла снимаем защитный чехол вместе с патроном указателя поворота и меняем неисправную лампу. |
Вставляем патрон в корпус указателя и надеваем защитный чехол. |
Замена бокового указателя поворота
Вынимаем патрон.
|
1. С внутренней стороны крыла головкой «на 7» или отрезком трубы подходящего диаметра сжимаем усики фиксатора корпуса указателя и выталкиваем их в отверстие крыла. Аналогично выталкиваем второй фиксатор и снимаем указатель. Выводим провода наружу через отверстие крыла. |
2. Для замены патрона снимаем его с проводов и подсоединяем к ним новый. |
|
3. Вставляем лампу с патроном в корпус указателя. |
4. Совместив фиксаторы с отверстиями, устанавливаем указатель поворота на место. |
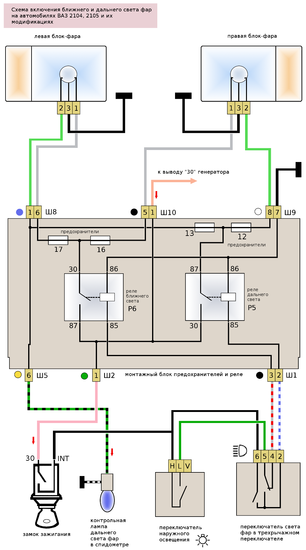
Схема включения ближнего и дальнего света фар ВАЗ 2104, 2105
На автомобилях ВАЗ 2104, 2105 электрический ток в систему поступает с вывода «30» генератора и далее на замок зажигания (вывод «30»). Ближний и дальний свет фар включается переключателем расположенным на рулевой колонке.
Электрическая схема включения ближнего и дальнего света фар на автомобилях ВАЗ 2105, 2104

Схема подключения ближнего и дальнего света фар автомобилей ВАЗ 2104 и 2105
Особенности включения ближнего и дальнего света фар на автомобилях ВАЗ 2104, 2105
— Электрический ток в систему включения ближнего и дальнего света фар 2105, 2104 приходит с вывода «30» генератора.
— Через замок зажигания, переключатель наружного освещения ток попадает на подрулевой переключатель ближнего и дальнего света.
— При включении ближнего света подрулевым переключателем ток, через реле включения ближнего света фар и предохранители 17, 16, попадает в передние блок-фары на лампу, где запитывает нить ближнего света (55 Вт).
— При включении дальнего света электрический ток попадает на реле дальнего света фар, предохранители 12, 13 и далее на нити дальнего света ламп (60 Вт) в передних блок-фарах.
— На 13-м предохранителе так же находится лампа включения дальнего света фар в щитке приборов.
— Включение ближнего или дальнего света фар будет доступно только при включенном выключателе наружного освещения.
— Для кратковременного включения дальнего света фар, как при включенном, так и при выключенном выключателе наружного освещения, водитель перемещает рычаг переключения дальнего-ближнего света фар на себя и включает дальний свет. В таком случае ток на нити дальнего света в лампах фар подается напрямую с замка зажигания (вывод INT), минуя выключатель наружного освещения.
Примечания и дополнения
— В монтажном блоке 15.3722, рассматриваемом в настоящей схеме, предохранители обозначаются одной лишь цифрой. В монтажных блоках 40.3722, 2105-3722010-17, так же устанавливаемых на автомобили ВАЗ 2105, 2104, в обозначении предохранителей присутствует буква F.





























