Как самостоятельно сменить ОЖ в Ладе Ларгус?
Как гласит регламент технического обслуживания Лады Ларгус, охлаждающая жидкость меняется раз в 90 тысяч километров пробега или один раз в 3 года. В зависимости от того, что наступит раньше.
Список инструментов и материалов:
- Тара для слива жидкости;
- Набор гаечных ключей;
- Пассатижи;
- Отвертки (крестообразная и шлицевая);
- Свежий антифриз;
- Специальная одежда и перчатки.
Техника безопасности
Обратите внимание: при замене жидкости на горячем двигателе есть риск получения ожогов на руках и лице за счет высокого давления в системе. Замену рекомендуется осуществлять на холодном двигателе. Для этого потребуется подождать 20-30 минут, пока двигатель полностью остынет
Для этого потребуется подождать 20-30 минут, пока двигатель полностью остынет.
Слив старого антифриза и промывка системы
Пошаговая инструкция слива антифриза:
Установить транспортное средство над смотровой ямой.
Дождаться, пока двигатель остынет. Открутить крышку на расширительном бачке, чтобы сбросить давление в контуре.
Спуститься в яму, чтобы добраться до низа транспортного средства. Демонтировать картерную защиту, отвести ее в сторону
Обратите внимание: радиатор и моторный блок не обладают специальными пробками. С удобством и по максимуму слить охлаждающую жидкость не получится.
Установить емкость под патрубок радиаторного узла. При помощи этих действий удастся слить не менее 6 литров старого хладагента
Взять пассатижи, произвести сдавливание концов хомута. Удержать шланг на нижнем патрубке радиатора.
Сдвинуть хомут, и снять патрубок. Действовать нужно аккуратно. В системе может быть высокое давление. Есть вероятность облиться антифризом. Чтобы обезопасить себя от этого, следует надеть специальную одежду и перчатки. Крышку расширительного бачка необходимо открывать аккуратно.
После слива надеть шланг обратно. Закрепить тем же хомутом.
При помощи этих действий удастся слить не менее 6 литров старого хладагента. Взять пассатижи, произвести сдавливание концов хомута. Удержать шланг на нижнем патрубке радиатора.
Сдвинуть хомут, и снять патрубок. Действовать нужно аккуратно. В системе может быть высокое давление. Есть вероятность облиться антифризом. Чтобы обезопасить себя от этого, следует надеть специальную одежду и перчатки. Крышку расширительного бачка необходимо открывать аккуратно.
После слива надеть шланг обратно. Закрепить тем же хомутом.
- Налить дистиллированную воду в расширительный бачок. Понаблюдать, как она проникнет в систему.
- Закрыть пробку штуцера. Заполнить бачок до отметки максимального уровня.
- Завести двигатель. Прогреть до рабочей температуры. Воздух из системы должен полностью удалиться. По мере нагрева силового агрегата полностью включить отопление в салоне.
- Заглушить двигатель.
Заливка нового хладагента в систему охлаждения
Пошаговый процесс заливки новой жидкости при замене на Ларгусе:
- Налить новый антифриз в расширительный бачок. Одновременно с этим сжимать патрубки, чтобы не допустить попадания воздуха в систему.
- Закрутить пробку штуцера и заполнить бачок до отметки на расширительном бачке MAX.
- Запустить двигатель внутреннего сгорания. Не стоит превышать обороты выше 3000. Эта процедура удалит воздух, который скопился в системе. Включить отопление в салоне, дождаться, пока будет ощущаться горячий поток воздуха.
- Заглушить силовой агрегат. Оставить его, чтобы остыл. Осмотреть систему охлаждения на наличие утечек. При необходимости, добавить антифриз до нужного уровня.
Замена охлаждающей жидкости завершена!
Недостаточный уровень охлаждающей жидкости
Такое сейчас маловероятно, потому как на многих современных автомобилях стоят датчики уровня тосола – антифриза. Однако, такие случаи имеют место быть (скажем в автомобилях предыдущих поколений). Представьте — ушел антифриз или тосол (может быть из-за течи радиаторов или патрубков), в печку не поступает достаточно разогретой жидкости, и она практически холодная, вентилятор дует, а воздух холодный (она попросту не греет). Нужно добавить охлаждающую жидкость до уровня, (как это сделать читаем здесь). Также если радиаторы или патрубки текут, то нужно устранить течь.
Стоит отметить, что при течи охлаждающего состава, могут образоваться «воздушные пробки», поэтому даже если вы добавите антифриза – тосола, до уровня нужно подождать какое то время чтобы воздух вышел.
Справочник по современным автосигнализациям. (Том 1, Том 2)
Справочник по современным автосигнализациям. Впервые в СНГ появляется многотомный справочник по установке современных автосигнализаций. Динамика развития автомобильных охранных систем очень интенсивна, постоянно появляются новые схемные решения. Поэтому представленные на рынке модели обновляются уже через год-два. А установщикам постоянно нужно быть в курсе новинок рынка автомобильных охранных систем. Эту потребность учитывают создатели данного многотомного справочника, который посвящен рассмотрению установки самых современных моделей, выпускаемых и устанавливаемых в этом году. Упор сделан именно на установку и схемотехнику.
Воздухозаборник на Лада Ларгус

Воздухозаборник на Лада Ларгус находится под капотом слева, ближе к пассажиру

Фильтр и защитная заглушка сняты
Установка дополнительного фильтра (сетки)
» data-lazy-type=»iframe» src=»data:image/gif;base64,R0lGODlhAQABAIAAAAAAAP///yH5BAEAAAAALAAAAAABAAEAAAIBRAA7″>
- Об авторе:
- Последние статьи:
Я просто болен автомобилями. Стараюсь подробно изучить каждый автомобиль, которым владел. Мне нравится ночная езда по улицам города. В своих автомобилях стараюсь осуществлять ремонт своими руками!
- Меняем тросик сцепления на Лада Приоре своими руками — 01.12.2020
- Меняем радиатор охлаждения на Лада Приора без кондиционера (+артикулы) — 19.11.2020
- Устраняем стук гидрокомпенсаторов на Лада Приора — 28.10.2020
- Следующий материал Почему плохо заводится и глохнет на холодную Лада Калина
- Предыдущий материал Загорелась индикация подушки безопасности на Дачия Логан, что делать?
Тэги: Вопросы Лада Ларгус
Почему нужна замена радиатора печки Рено Логан?
Чаще всего поломку радиатора (причем, не только печки, но и двигателя) вызывает некачественная либо выработавшая свой ресурс охлаждающая жидкость
Вот почему так важно регулярно осуществлять ее замену. Бачок, в котором она находится, специально изготовлен из прозрачного пластика, чтобы владелец автомобиля по цвету смог определить время, когда старую ОЖ нужно будет слить и заполнить бачок новой
Да и сама эта процедура далеко ни из самых приятных, так что лучше ее доверить мастеру автосервиса. И вовсе не обязательно специально для этого приезжать на СТО – поменять охлаждающую жидкость можно в процессе очередного планового ТО или диагностики автомобиля.
Как разобрать блок управления светом калина
БЛОК УПРАВЛЕНИЯ НАРУЖНЫМ ОСВЕЩЕНИЕМ, ПОДСВЕТКОЙ ПРИБОРОВ И РЕГУЛЯТОРОМ НАПРАВЛЕНИЯ ПУЧКОВ СВЕТА ФАР ЛАДА КАЛИНА
Блок управления наружным освещением, подсветкой приборов и регулятором направления пучков света фар: 1 — переключатель наружного освещения; 2 — регулятор освещения приборов; 3 — регулятор направления пучков света фар; 4 — выключатель ламп противотуманного света в задних фонарях
Блок расположен на панели приборов, слева от рулевой колонки.
11ереключатель наружного освещения 1 имеет три фиксированных положения.
В крайнем левом положении рукоятки переключателя —наружное освещение выключено. В среднем положении рукоятки — включены лампы габаритного света, подсветки панели приборов и освещения номерного знака. При повороте рукоятки вправо помимо вышеупомянутых ламп включается ближний или дальний свет фар, в зависимости от положения левого подрулевого переключателя.
При включенном габаритном свете, вращая кольцо регулятора 2, можно изменять яркость освещения приборов
Регулятор направления пучков света фар 3 предназначен для регулировки угла наклона пучка света фар в вертикальной плоскости в зависимости от загрузки автомобиля. Совмещение неподвижной метки на корпусе и цифры на кольце переключателя обеспечивает регулировку фар при следующих вариантах загрузки автомобиля:
0 — один водитель или водитель с пассажиром на переднем сиденье;
1 — водитель и четыре пассажира;
1,5 — водитель, четыре пассажира плюс груз в багажном отделении не более 75 кг,
4 — водитель плюс груз в багажном отделении более 75 кг.
Лампы противотуманного света в задних фонарях включаются нажатием клавиши 4 при включенном головном свете фар. Выключается противотуманный свет в задних фонарях повторным нажатием клавиши.
привет всем. продолжаю эпопею. сегодня мы будем переделывать подсветку МУС старого образца на калине знакомой. Ну чтож поехали… Нам нужно 6 белых светодиодов (из них 3 нужно на 12 вольт и три на 2-3 вольта, если не найдете на 12, то тогда все 6 берем на 2-3 вольта, и три сопротивления под 9-12 вольт или 12-30 вольт) 3 синих светодиода 2-3 вольта. 1.
Берем сам МУС и видим что у передней панели есть 4 защелки и у задней так же. На примере задней, я брал тонкий нож и всунул его в паз вытаскивал панель. Так же и с передней.
Недостаточный уровень охлаждающей жидкости
Такое сейчас маловероятно, потому как на многих современных автомобилях стоят датчики уровня тосола – антифриза. Однако, такие случаи имеют место быть (скажем в автомобилях предыдущих поколений). Представьте — ушел антифриз или тосол (может быть из-за течи радиаторов или патрубков), в печку не поступает достаточно разогретой жидкости, и она практически холодная, вентилятор дует, а воздух холодный (она попросту не греет). Нужно добавить охлаждающую жидкость до уровня, (как это сделать читаем здесь). Также если радиаторы или патрубки текут, то нужно устранить течь.
Стоит отметить, что при течи охлаждающего состава, могут образоваться «воздушные пробки», поэтому даже если вы добавите антифриза – тосола, до уровня нужно подождать какое то время чтобы воздух вышел.
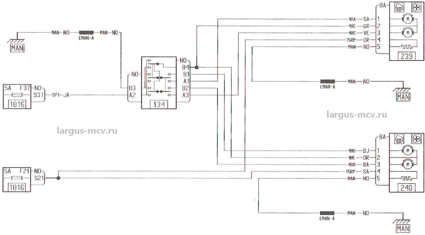
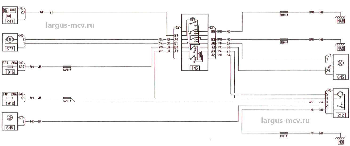
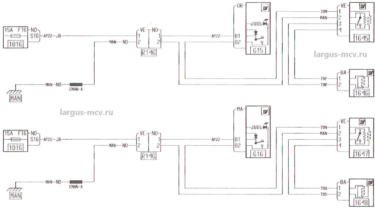
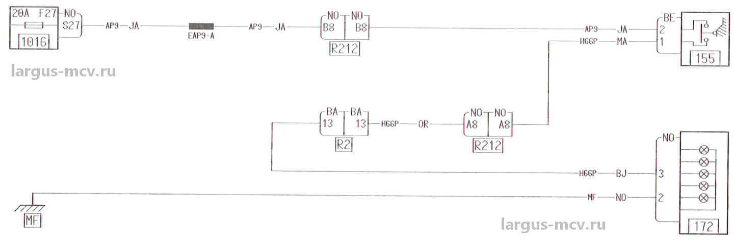
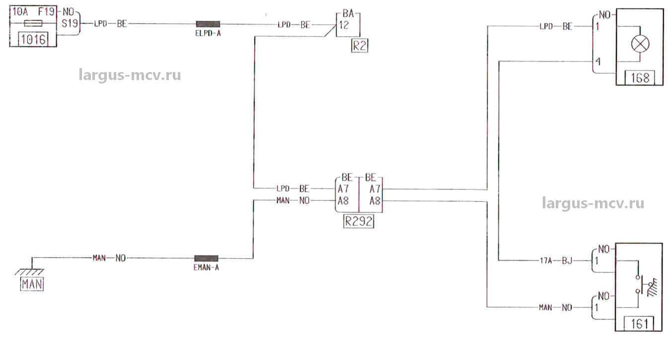
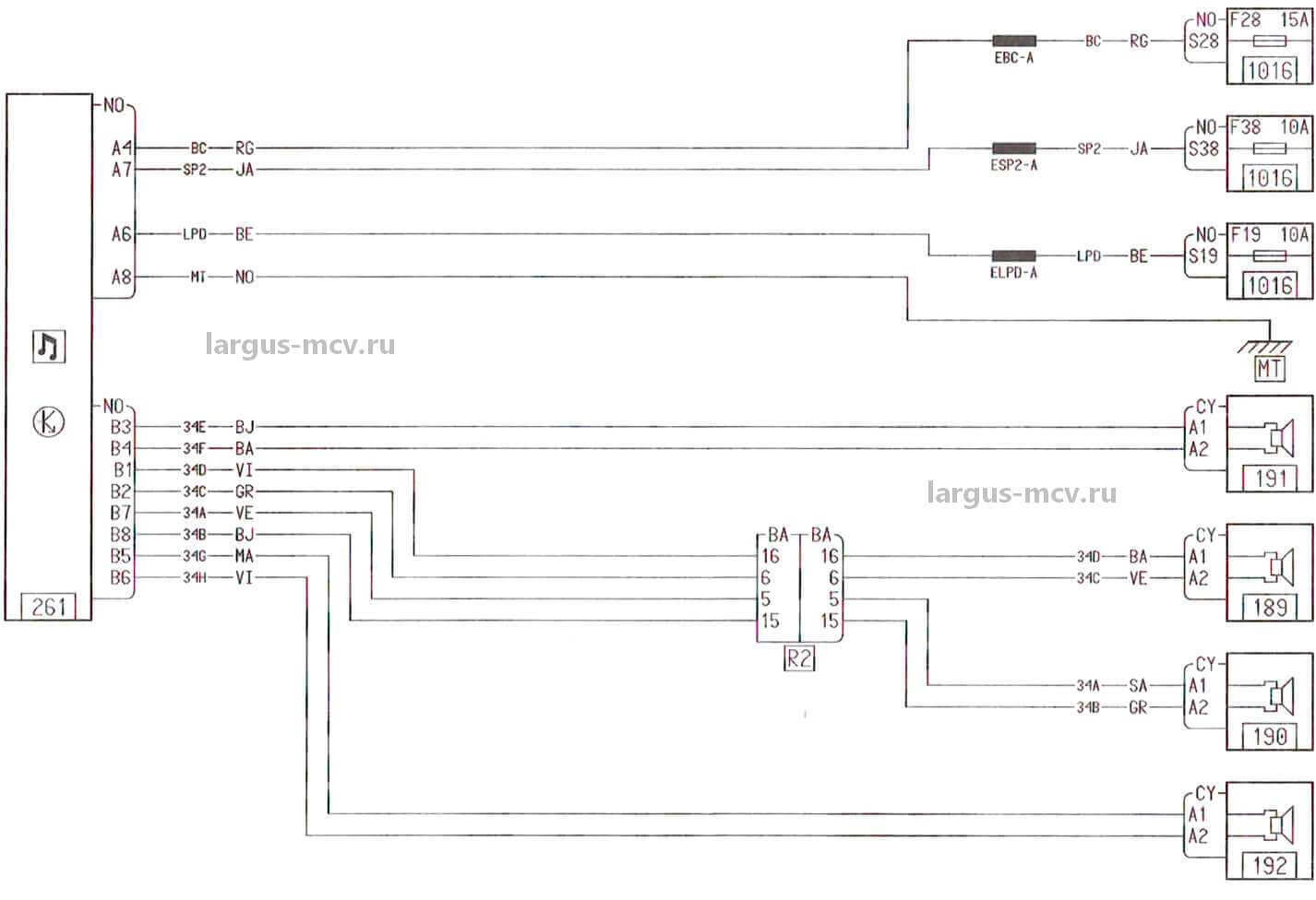
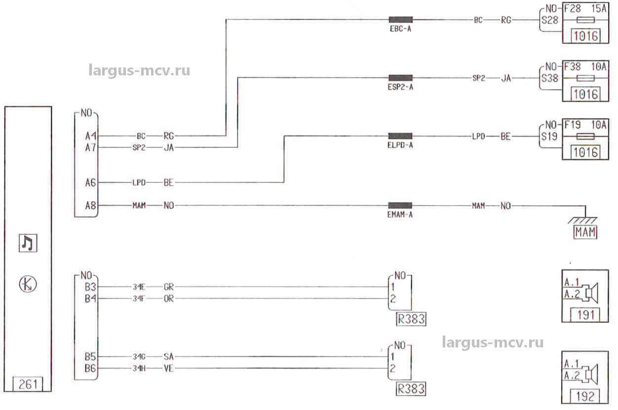
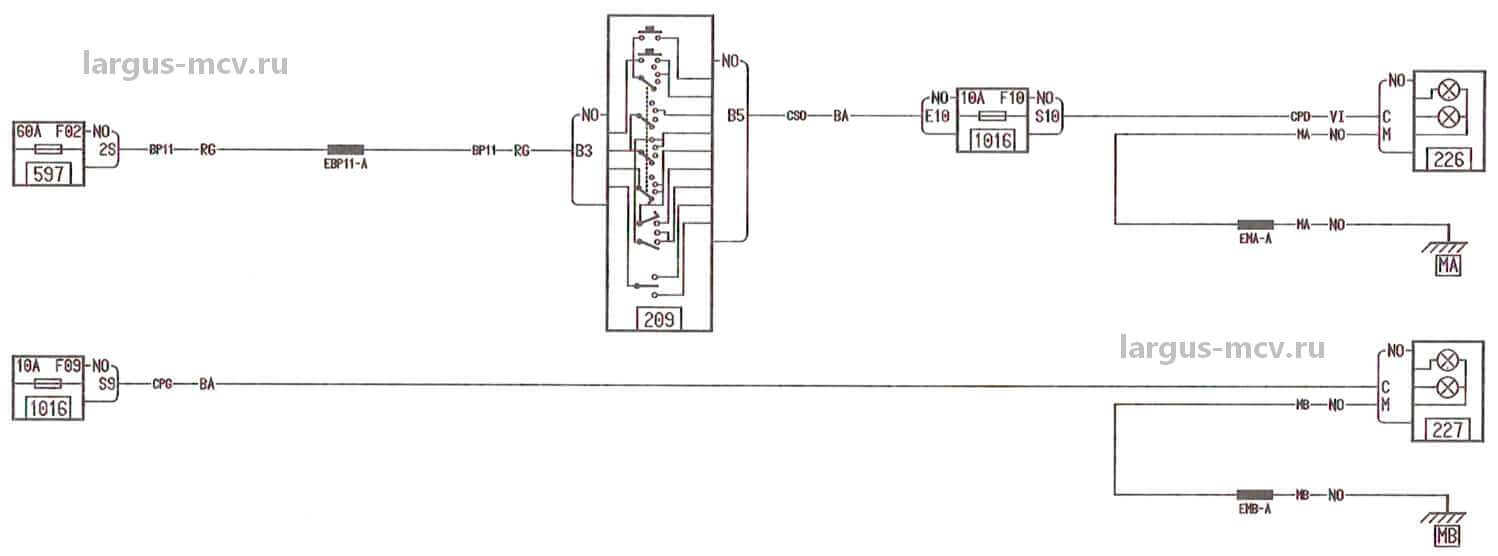
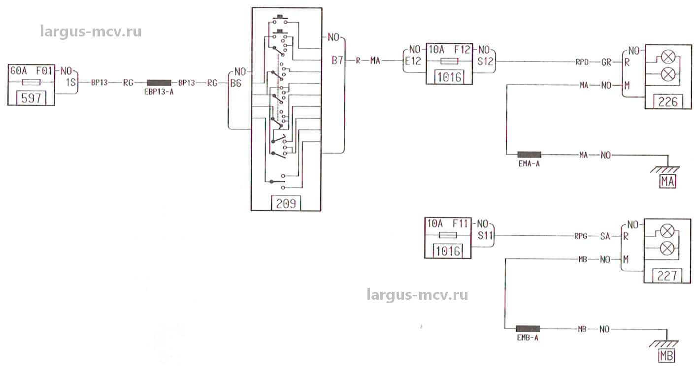
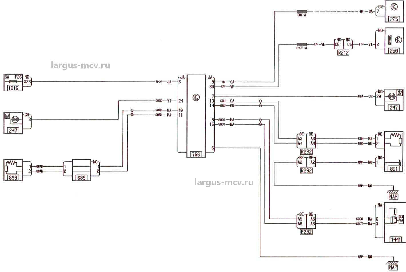
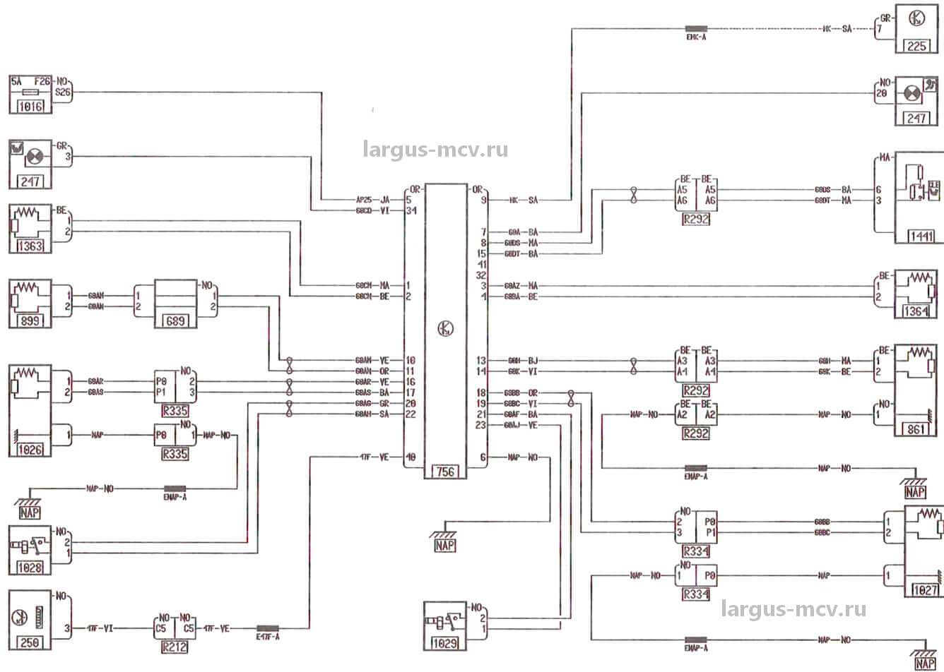
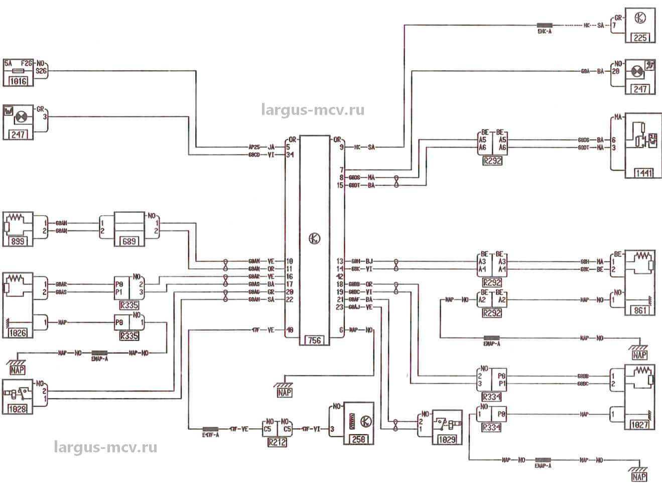
Все электрические схемы автомобиля Lada Largus
Ниже приведены все электросхемы автомобиля. Данная ч/б подборка наиболее полная. Список цветных схем приведён в меню слева. Пояснения к соединениям и цепям, цветам разъёмов на схемах (обозначены цифрой и буквой) находятся тут. Перечень приборов, (обозначенных на схемах цифрами) находится тут Все схемы кликабельны и развёртываются в новой вкладке.
КАК ЧИТАТЬ ЭЛЕКТРИЧЕСКУЮ СХЕМУ
Как читать принципиальную схему (пример схемы):

| 4 | Цвет разъема |
| 5 | Схема разъема |
| 6 | Схема подсоединения |
| 7 | Цвет разъема |
| 8 | Номер платы, к которой подключен прибор |
| 9 | Номер прибора |
| 10 | Номинальный ток предохранителя |
| 11 | Расположение предохранителя на плате |
| 12 | Цвет держателя |
| 13 | Номер соединения |
| 14 | Номер места сращивания проводов |
| 15 | Номер соединения с «массой» |
| 16 | Вспомогательный элемент |
| 17 | Номер главы |
| 18 | Номер листа |
| 19 | Схема подсоединения |
| 20 | Код цепи (позволяет определить назначение провода), см. перечень цепей |
Схема управления электроприводами замков дверей (замки с функцией «центральный замок» и ДУ)


Схема включения генератора, гидроусилителя рулевого управления

Схема включения генератора, стартера, АКБ (двигатель К7М710)

Схема включения генератора, стартера (двигатель К7М710)

Цепь заряда АКБ (двигатель К4М690)

Цепь запуска двигателя (двигатель К4М690)

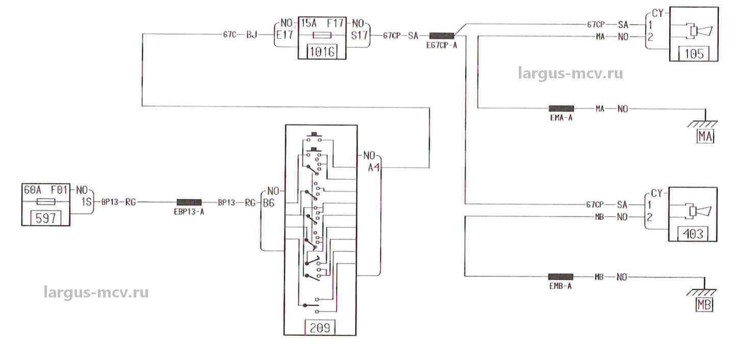
Цепь включения звукового сигнала

Блок предохранителей в салоне

АКБ, блок предохранителей и реле в моторном отсеке

АКБ, блок предохранителей и реле в моторном отсеке (реле впрыска) (двигатели К4М690, К7М710)


АБС, датчики скорости колес

АБС, лампы стоп-сигналов

Датчик скорости автомобиля (передняя боковая подушка безопасности, двигатель К4М690)

Датчик скорости автомобиля (подушка безопасности водителя, двигатель К7М710)

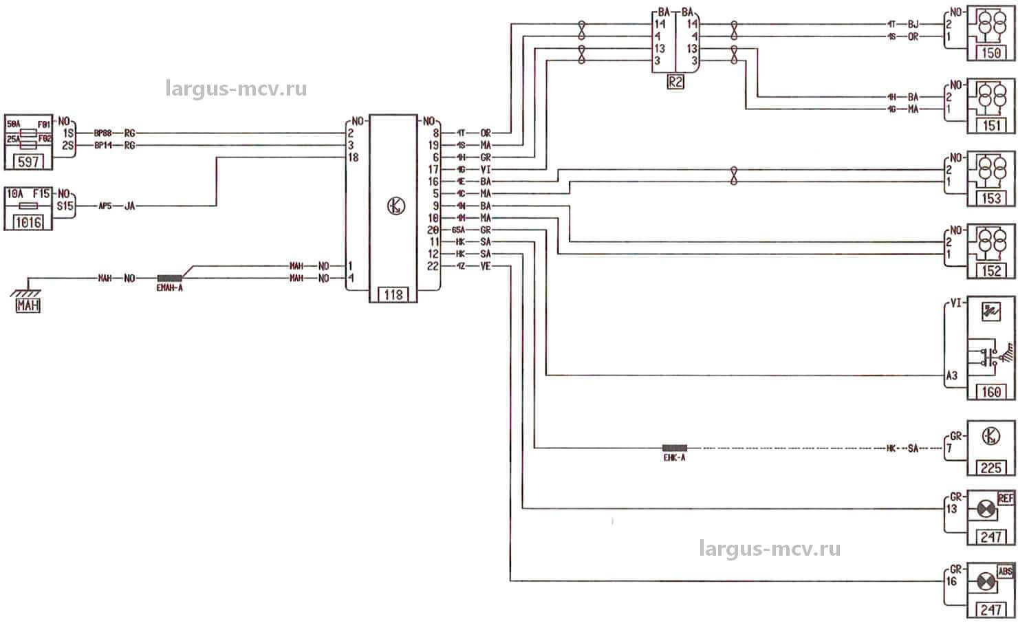
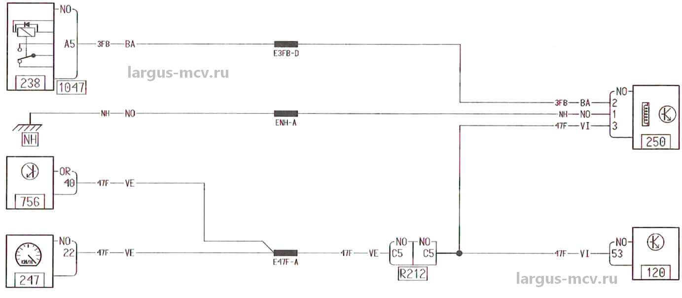
Система кондиционирования и система охлаждения двигателя (климатическая установка, двигатель К4М690)

Система кондиционирования воздуха и система охлаждения двигателя (климатическая установка, двигатель К7М710)

Указатели поворотов и аварийной сигнализации

Электрообогрев заднего стекла

ЭЛЕКТРОСТЕКЛОПОДЪЕМНИКИ ЗАДНИХ ДВЕРЕЙ

ЭЛЕКТРОСТЕКЛОПОДЪЕМНИКИ ПЕРЕДНИХ ДВЕРЕЙ

НАРУЖНЫЕ ЗЕРКАЛА ЗАДНЕГО ВИДА С ЭЛЕКТРОПРИВОДОМ И ОБОГРЕВОМ

СТЕКЛООЧИСТИТЕЛИ ПЕРЕДНЕГО И ЗАДНЕГО СТЕКЛА, СТЕКЛООМЫВАТЕЛИ (с очистителем заднего стекла)

СТЕКЛООЧИСТИТЕЛЬ ПЕРЕДНЕГО СТЕКЛА И СТЕКЛООМЫВАТЕЛЬ (без очистителя заднего стекла)


ПЛАФОН ОСВЕЩЕНИЯ БАГАЖНИКА (семейство F90, замки дверей с функцией «центральный замок» и ДУ)

ПЛАФОН ОСВЕЩЕНИЯ БАГАЖНИКА (семейство К90, замки дверей с функцией «центральный замок» и ДУ)

ПЛАФОН ОСВЕЩЕНИЯ САЛОНА (семейство К90, семь мест, замки дверей с функцией «центральный замок» и ДУ)

ПЛАФОН ОСВЕЩЕНИЯ САЛОНА (семейство К90, пять мест, замки дверей с функцией «центральный замок» и ДУ)

ПЛАФОН ОСВЕЩЕНИЯ САЛОНА (семейство F90, замки дверей с функцией «центральный замок» и ДУ)

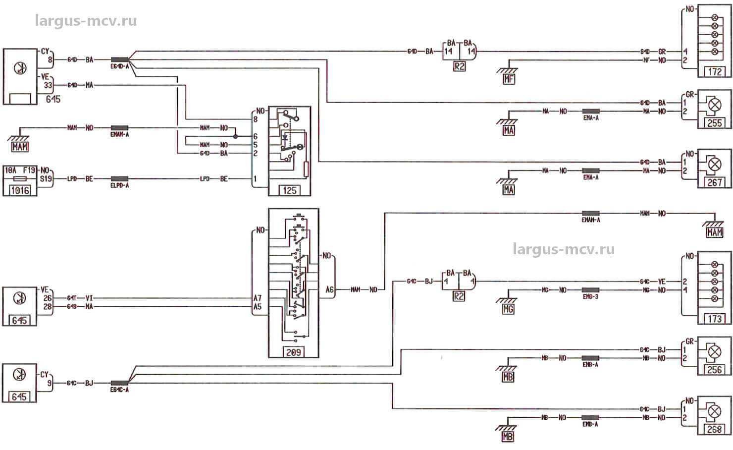
ПРАВЫЙ ЗАДНИЙ ФОНАРЬ, ВЫКЛЮЧАТЕЛЬ СВЕТА ЗАДНЕГО ХОДА

ВЫКЛЮЧАТЕЛЬ СИГНАЛЬНОЙ ЛАМПЫ СТОЯНОЧНОГО ТОРМОЗА

ОСВЕЩЕНИЕ ВЕЩЕВОГО ЯЩИКА

ГАБАРИТНЫЕ ОГНИ (с подсветкой вещевого ящика)

ЗАДНИЕ ПРОТИВОТУМАННЫЕ ФОНАРИ


ЭЛЕКТРОВЕНТИЛЯТОР СИСТЕМЫ ОХЛАЖДЕНИЯ ДВИГАТЕЛЯ (обычная система отопления, двигатель К4М)

АУДИОСИСТЕМА С ЧЕТЫРЬМЯ ГРОМКОГОВОРИТЕЛЯМИ

АУДИОСИСТЕМА С ДВУМЯ ГРОМКОГОВОРИТЕЛЯМИ

АУДИОСИСТЕМА БЕЗ ГРОМКОГОВОРИТЕЛЕЙ

ДАТЧИК ДАВЛЕНИЯ МАСЛА

Датчик уровня тормозной жидкости

БЛИЖНИЙ СВЕТ ФАР

ДАЛЬНИЙ СВЕТ ФАР

СИСТЕМА НАДУВНЫХ ПОДУШЕК БЕЗОПАСНОСТИ ДВУХ-КАНАЛЬНАЯ (подушка безопасности водителя, подушка безопасности пассажира)

СИСТЕМА НАДУВНЫХ ПОДУШЕК БЕЗОПАСНОСТИ ОДНО-КАНАЛЬНАЯ (подушка безопасности водителя)

СИСТЕМА НАДУВНЫХ ПОДУШЕК БЕЗОПАСНОСТИ (СНПБ) С БОКОВЫМИ ПОДУШКАМИ БЕЗОПАСНОСТИ И ПРЕДНАТЯЖИТЕЛЯМИ РЕМНЕЙ БЕЗОПАСНОСТИ

СИСТЕМА НАДУВНЫХ ПОДУШЕК БЕЗОПАСНОСТИ (СНПБ) С БОКОВЫМИ ПОДУШКАМИ БЕЗОПАСНОСТИ

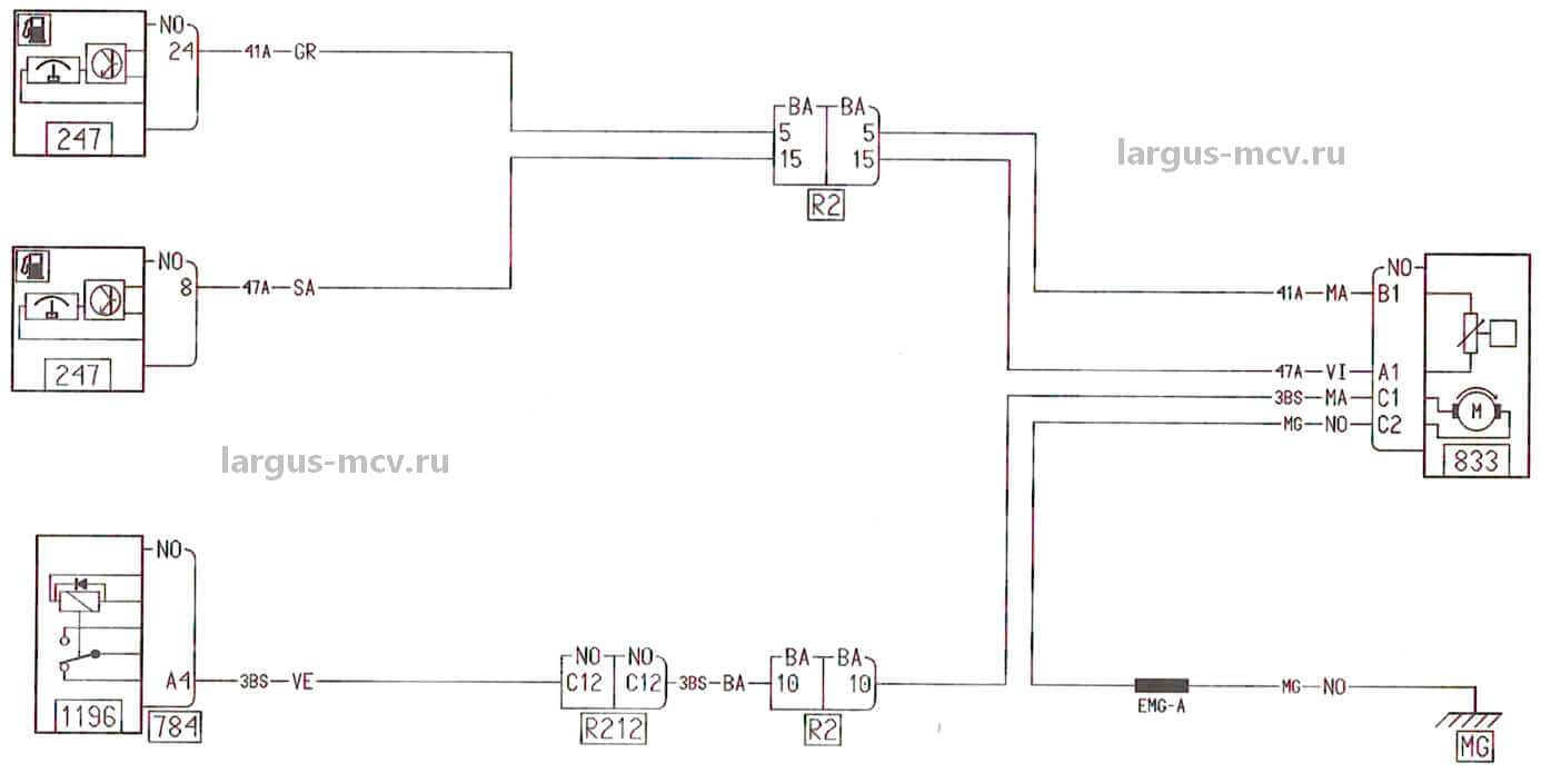
ДАТЧИК УРОВНЯ ТОПЛИВА И ТОПЛИВНЫЙ НАСОС

ДАТЧИК УРОВНЯ ТОПЛИВА И ТОПЛИВНЫЙ НАСОС (модуль электробензонасоса)

КОМБИНАЦИЯ ПРИБОРОВ (маршрутный компьютер)

КОМБИНАЦИЯ ПРИБОРОВ (антиблокировочная система)

КОМБИНАЦИЯ ПРИБОРОВ (без антиблокировочной системы, без системы навигации)

КОМБИНАЦИЯ ПРИБОРОВ (маршрутный компьютер, антиблокировочная система)

ЦЕНТРАЛЬНЫЙ КОММУТАЦИОННЫЙ БЛОК В САЛОНЕ (ЦЭКБС)

Приемное кольцо (катушка связи) системы электронной противоугонной блокировки запуска двигателя


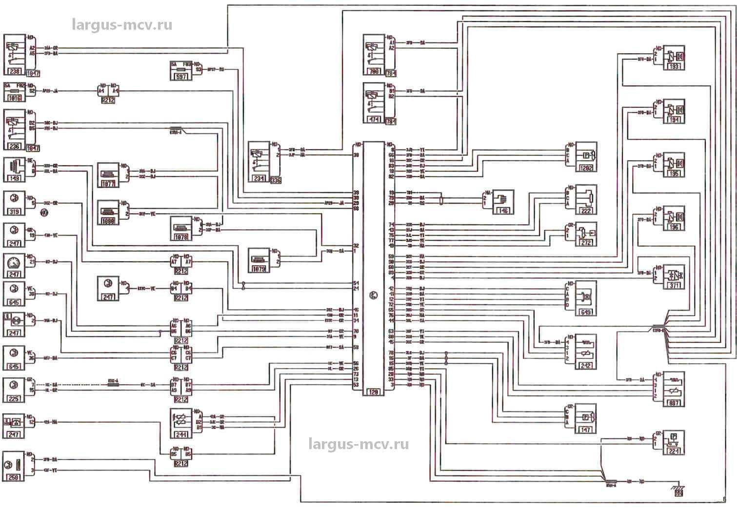
ЭСУД Автомобиля с двигателем К4М (рулевое управление с усилителем)

ЭСУД автомобиля с двигателем К7М (рулевое управление с усилителем)
Источник статьи: http://largus-mcv.ru/html/all-shems.html
Недостаточный уровень охлаждающей жидкости
Такое сейчас маловероятно, потому как на многих современных автомобилях стоят датчики уровня тосола – антифриза. Однако, такие случаи имеют место быть (скажем в автомобилях предыдущих поколений). Представьте — ушел антифриз или тосол (может быть из-за течи радиаторов или патрубков), в печку не поступает достаточно разогретой жидкости, и она практически холодная, вентилятор дует, а воздух холодный (она попросту не греет). Нужно добавить охлаждающую жидкость до уровня, (как это сделать читаем здесь). Также если радиаторы или патрубки текут, то нужно устранить течь.
Читать дальше: Как правильно сделать парковку на автодроме
Стоит отметить, что при течи охлаждающего состава, могут образоваться «воздушные пробки», поэтому даже если вы добавите антифриза – тосола, до уровня нужно подождать какое то время чтобы воздух вышел.
Обзор Largus универсал
Этот автомобиль может легко приспособиться к любым вашим потребностям.
LADA Largus идеально сочетает в себе комфорт, практичность и высокую полезную нагрузку.
Автомобиль выглядит очень дружелюбно: граненые линии кузовных панелей, решительные колесные арки, оригинальные задние фонари, фирменная решетка радиатора. Крепкий, сбитый, уверенный Largus однозначно заявляет: «На меня можно положиться!».
LADA Largus – это динамичный дизайн кузова, современный интерьер и удивительно просторный салон.
Largus – единственный автомобиль такого класса, который обеспечивает по-настоящему комфортную посадку семи взрослым пассажирам.
Благодаря складным сиденьям LADA Largus легко трансформируется под любые потребности – от туристической поездки до перевозки габаритных грузов.
LADA Largus адаптирован к российским условиям эксплуатации, а отработанная конструкция и технологии обеспечивают высокое качество автомобиля.
Одни автомобили созданы для рекордов скорости. Другие – чтобы ослеплять всех ярким дизайном.
А Largus создан для реальной жизни. Он проедет там, где нет пути для спорткара. И на него будут смотреть с любовью. Потому что по-настоящему красив именно автомобиль-труженик.
- Небольшие свесы и клиренс в 170 мм (145 мм с максимальной разрешенной нагрузкой) – перед нами автомобиль с отличной для своего класса проходимостью.
- Тяговитый мотор уверенно разгоняет Largus с полной нагрузкой.
- Трансформация салона: от 7-местного универсала до 2-местного грузовичка.
- Третий ряд сидений можно снять (без применения инструмента) и оставить в гараже.
- Максимальная нагрузка на рейлинги – 80 кг.
- Удобные распашные двери задка фиксируются в нескольких положениях.
- Моторный отсек защищен мощным брызговиком из 2-миллиметровой стали.
- 15-дюймовые диски колес.
LADA Largus – это потрясающе вместительный и очень комфортный автомобиль.
Широкое водительское кресло оснащено регулировкой по высоте и поясничной поддержкой. Для пассажиров третьего ряда созданы по-настоящему удобные места: здесь свободно чувствуют себя мужчины ростом выше среднего. Каждый из трех рядов сидений оснащен воздуховодами для обогрева ног пассажиров.
Шасси автомобиля настроено на комфорт: длинная база обеспечивает плавность хода, а энергоемкая подвеска отлично справляется с разными типами покрытия. Передний подрамник обеспечивает уверенную устойчивость и управляемость на любых скоростях.
LADA Largus по-европейски добротен. Все системы – от педалей до дверных ручек – работают с минимальными усилиями. Благодаря тщательному подбору материалов обеспечен высокий акустический комфорт – даже при большом пробеге в салоне нет скрипов.
Несмотря на европейскую родословную, LADA Largus – машина для наших дорог.
Надежная длинноходная подвеска, с легкостью «проглатывающая» неровности и ямы, высокий клиренс и хорошая геометрическая проходимость – вот уверенные аргументы против неожиданностей на дорогах и направлениях!
- Все наружные панели кузова LADA Largus – из стали с двусторонней оцинковкой.
- Платформа В0, на которой построен Largus, хорошо зарекомендовала себя во всем мире.
- Largus полностью изготовлен по технологиям Альянса RENAULT-NISSAN.
- Базовая конструкция, изначально созданная для Восточной Европы, была адаптирована для России: усилена подвеска и тормоза, увеличена толщина антигравия и зона его нанесения на днище, на колесных арках появились накладки для защиты от сколов.
- У LADA Largus – оригинальные калибровки управления двигателем, которые делают автомобиль в полной мере адаптированным к российскому бензину.
- Условия гарантии LADA Largus – 3 года или 100 тысяч километров пробега.
Радиатор печки забит
Причин может быть несколько:
Первая – неправильное смешение антифризов и тосола. Например в G13 вы залили скажем G11 или вообще ТОСОЛ, тогда возможно проявится осадок, который достаточно быстро забьет все тонкие патрубки радиатора.
Второе – заливали воду. Вода вызывает не только ржавление металлов в системе, но и образовывает накипь на стенках.
Третье — устраняли течь радиатора печки или основного радиатора всевозможными герметиками. С одной стороны лечим, с другой калечим. Ходы в радиаторе могут закупориваться излишками этого герметика, жидкость не может нормально в ней циркулировать, а соответственно и разогреть ее, а значит — не будет толком греть. Правда, у вас двигатель может показывать большие температуры, на уровне предела (главное его не перегреть). Нужно либо промывать систему, чистить радиатор, либо попросту менять этот радиатор.
Неисправен термостат двигателя
Теперь о более сложных поломках. Если у вас с самой печкой все нормально, вентилятор работает, а греет плохо, то может быть дело в термостате двигателя.
НО от времени или от качества охлаждающей жидкости, термостат может выходить из строя и не закрывать «большой круг», а всегда гонять по нему. Иногда случается даже абсурдная ситуация, когда малый круг (даже) немного перекрыт и в печку (которая должна прогревать салон) идет слабо разогретый антифриз. Она обдувается по максимуму (максимальная скорость), но воздух идет холодный или еле теплый. А так как в -20, -30 градусов ждать пока прогреется «большой круг» очень долго (а он может и вообще не прогреться основательно), то не будет греться салон.
Утеплять мотор или нет
Тут с камрадом обсуждали, нужно утепляться или нет. расскажу случай, который произошел со мной в 2001 году.
Помчали мы с коллегой в командировку по филиалам, под Новый 2001 год и на несколько дней. Машина Дэу Нексия, только что из салона. Коллега и слышать не хотел про утепление: «Это не Жигули, это новая иномарка, да ничё с ней не будет. » В дороге нас накрыли морозы за тридцатку. Утром выходим из одного города в другой, расстояние по трассе около 200 км., за бортом в районе -32..-34. Печка, кстати, не справлялась совершенно, весь поток тепла пустили на лобовое, все остальные стекла затянуло.
Нам повезло, что «до ветру» решили выскочить. Заметили, что снег на обочине под машиной не белый, а в каких-то свежих пятнах. Открыли капот — а двигатель в масле! Немного офигели — машин практически нет, до ближайшего тепла километров двадцать. благо, масло еще не все выгнало, чуть больше нижнего уровня оставалось.
Пока гадали, откуда давануло и размышляли, насколько испугаться, подъехал гаишник на патрульке. Посмотрел на двигатель и вынес вердикт — сапун замерз, через щуп масло выдавило. Сняли эту трубку резиновую, удалили из нее лед, поставили на место, завелись — все нормально.
Потом слушали лекцию, почему в такие морозы утепляться надо, и параллельно утеплялись — раздербанили коробку от монитора (сзади на сиденье везли), понавтыкали обрывки картона перед радиатором, и сверху на мотор лист кинули. Сапун обмотали тряпкой типа фланели, гаишник выдал — а еще в багажнике у него бушлат старый лежал, он подстежку нам дал на картон сверху бросить — попросил оставить на посту перед въездом в город. После этого мы поехали гораздо комфортнее — и в салоне потеплело, и масло давить перестало. Спасибо ему огромное!
Что же произошло? Картерные газы отводятся из картера и по трубке подаются обратно в воздухозаборник для дожига. Эта трубка обычно идет снаружи двигателя, «по морозу». При низких температурах на ее внутренних стенках образуется конденсат, который превращается в лед. Газам некуда выходить, давление в картере поднимается — и масло выдавливает по пути наименьшего сопротивления, через щуп. Поэтому при длительной поездке по морозу желательно, чтоб в верхней части двигателя тепло хоть немного удерживалось, не выдувалось сразу, и холод от крышки капота шел не так явно.
Вот, в принципе, и все. После этого случая я с наступлением холодов танцую с бубном, утепляя моторный отсек. Ларгус не смотрел еще на предмет сапуна, одно могу сказать — он где-то есть.
Источник
Где находятся предохранители Лада Ларгус?
Предохранители Лада Ларгус находятся как в салоне, так и под капотом автомобиля. Салонный блок предохранителей находится в торце передней панели слева от водителя. Монтажный блок расположен под декоративной пластиковой крышкой, которая скрывает предохранители Лада Ларгус от посторонних глаз. Здесь расположена большая часть предохранителей, отвечающих за основное электрооборудование автомобиля.

У Ларгуса есть и второй блок предохранителей, который расположен под капотом автомобиля рядом аккумулятором и воздушным фильтром. В нем размещены силовые предохранители на кондиционер, вентилятор, ABS и т.д.

Блок управления отопителем (печкой) Лада Ларгус (замена, снятие)
Вам потребуются: ключ ТОRХТ20, специальная пластиковая монтажная лопатка или отвертка с плоским лезвием. 1. Отсоедините провод от клеммы «минуc» аккумуляторной батареи. 2. Снимите декоративную вставку центральной консоли (см. «Снятие и установка панели приборов Лада Ларгус»).
3. Выверните два винта крепления блока управления к панели приборов
4. Сожмите два держателя….
5. …и вдвиньте блок внутрь панели. Поверните блок так, чтобы внутренняя сторона блока оказалась вверху.
6. Сожмите фиксаторы и отсоедините от держателя блока наконечник оболочки (черного цвета) троса привода рециркуляции.
7. Отсоедините от ползуна наконечник троса привода рециркуляции.
8. Отожмите фиксатор и отсоедините от блока колодку жгута проводов.
9. Выньте блок управления из гнезда в панели приборов. 10 Выньте из держателя на блоке наконечник оболочки троса (синего цвета) регулятора температуры…
11. …и отсоедините от рычага наконечник троса.
Фургон «лада-ларгус»: размеры грузового отсека, технические характеристики, особенности эксплуатации, достоинства и недостатки авто
12. Аналогично отсоедините трос привода заслонки распределения потоков воздуха (с оболочкой белого цвета) и снимите блок.
13. При необходимости замены ламп в блоке поверните патрон соответствующей лампы против часовой стрелки и выньте его из гнезда. 14. Установите блок управления системой отопления, кондиционирования и вентиляции в порядке, обратном снятию.
Как известно, контроль должной температуры в Ладе Ларгус, как и в другом автомобиле, принимает на себя радиатор. В тесной взаимосвязи с ним работает сложная система механических и электрических составляющих, занимающихся обогревом водителя и его пассажиров. Среди них и дефлектор печки Лады Ларгус «Тёплые ноги», и зубильный вентилятор, и стальной кожух.
Вышеупомянутый агрегат разработан специально для такого типа транспортных средств. Он позволяет регулировать направление движения тёплого воздуха по отношению к сидящим там людям. Так, концентрированный горячий поток смешивается с салонной прохладой и доставляется «по месту требования».
Как показывает практика, печка может быть изготовлена не только из пластика, но и из металла. Безусловно, второй вариант будет стоить дешевле первого, но в дизайне он всё же проигрывает. При этом пластик не так долговечен, как металл, поэтому он предпочтительнее для транспортных средств отечественного производства.
Небезызвестен тот факт, что на автомобиле Лада Ларгус передняя панель позаимствована у Рено Логан. Учитывая это, отопительные системы салона у них аналогичны. Однако объём семиместного кузова отечественного транспортного средства значительно больше, чем у «француза».
Габаритное несоответствие
Ввиду этого водители в первую же зиму эксплуатации пытаются устранить неточности проектной деятельности конструкторов. Чаще всего доработка печки Ларгуса предполагает закрытие дальних отверстий сопла, подающего воздух к ногам пассажиров. Это приводит к перераспределению направляемой теплоты, увеличивая её количество.
Вместе с этим проблемы с функционированием печки часто связываются с резким снижением тёплого воздуха в тот момент, когда двигатель работает на холостых оборотах. Это может создавать определённые неудобства, особенно во время движения в пределах города, находясь в пробках. Основная причина этого — снижение температуры антифриза, находящегося в системе охлаждения мотора.
Нечёткость в переключении скоростей вентилятора
Если и они в порядке, то имеет смысл проверить те узлы, которые защищают цепь питания реле всей системы отопления. Бывает так, что и здесь всё в порядке, тогда проблема функционирования заключается в неисправности самого переключателя.
Все о ладе ларгус фургон

Функциональность всей системы сразу оказывается под вопросом, если перед использованием после длительного перерыва не почистить печку на Ларгусе. Также на это может повлиять включение её мотора при неработающем двигателе: охлаждающая жидкость не циркулирует и салон перестаёт обогреваться. Чтобы как-то исправить эту ситуацию можно воспользоваться одним из двух способов:
Система отопления, вентиляции и кондиционирования
Общая схема системы вентиляции, отопления и кондиционирования: 1 – компрессор кондиционера; 2 – вентилятор радиатора; 3 – трубопровод низкого давления (ТНД); 4 – демпфер; 5 – клапан предназначенный для заправки / выпуска хладагента в ТНД; 6 – редуктор; 7 – вентилятор печки; 8 – корпус печки; 9 – заслонка регулирующая температуру; 10 – радиатор печки; 11 – испаритель; 12 – щиток кузова разделяющий салон и моторный отсек; 13 – клапан для заправки и выпуска хладагента в ТВД; 14 – ТВД; 15 – радиатор двигателя; 16 – ресивер-осушитель; 17 – конденсатор; 18 – датчик давления хладагента
Расположение воздуховодов системы отопления, вентиляции и кондиционирования (приборная панель для наглядности снята): 1 – воздуховоды боковые; 2 – воздуховод обдува лобового стекла; 3 – центральные воздуховоды; 4 – электрический двигатель вентилятора печки; 5 – воздуховоды к ногам водителя и переднего пассажира; 6 – воздуховоды идущие к ногам пассажиров заднего сиденья; 7 – отопитель (печка) ; 8 – дополнительный резистор вентилятора печки
Отопитель — печка (корпус разобран): 1 – радиатор печки; 2 – трос заслонки регулятора температуры; 3 – трос заслонки рециркуляции воздуха; 4 – заслонка регулятора температуры; 5 – воздухораспределительная заслонка; 6 – заслонка рециркуляции воздуха; 7 – уплотнитель; 8 – гнездо вентилятора; 9 – испаритель кондиционера; 10 – трос воздухораспределительных заслонок
Радиатор отопителя — печки. По нему циркулирует охлажающая жидкость. Воздух проходит либо сквозь радиатор, любо минуя его, в зависимости от того какую температура воздуха выставить на регуляторе.
Вентилятор печки-отопителя служит для подачи наружного воздуха в салон.
Дополнительный резистор вентилятора отопителя — с его помощью вентилятор может вращаться с 4-мя различными скоростями.






























