Резюме
Вот таким оригинальным способом можно заполучить не только рабочие детали, требуемые для переделки авто на газ, но и удешевить работу путем продажи ненужных деталей и узлов.
Теперь что касается подключения косы управления двигателем.
подключал вот по такой схеме:
f-a.d-cd.net/9616228s-960.jpg всего надо подключить три провода — от замка зажигания — два силовых провода( постоянный и предохранитель)
Читать также: Моторное масло nissan 5w 40
остается 3 провода два провода( + и -) из колодки идут на чек в приборку один на бензонасос ЭБУ повесил с правой стороны торпеды
Место для лампы Check выбрал не использованное окно в приборной панели
Воздушный фильтр закрепил на лонжерон двумя самодельными крепениями
ну и общий вид мотора на законном месте
Оригинальное решение
А что если не бегать по магазинам и не тратить время и средства, а приобрести автомобиль-донор под разборку? Например, Волгу 3102 выпуска 1999-2004 годов. Довольно ухоженные авто гаражного хранения нам не нужны из-за высокой цены, лучше ориентироваться на бюджет переделки, подбирая доступные варианты.

Донорский автомобиль еще можно купить у первых владельцев по сходной цене
Реальный случай
Недолгие поиски оказались удачными – в нашем распоряжении оказался хороший автомобиль 2002 года. Цена вопроса – 12500 рублей. А поскольку вся Волга 3102 нам не нужна, а лишь ее инжекторная электропроводка — Газель 406 ведь на бензине, то машина-донор была подвергнута разборке и распродаже.
За короткий срок удалось реализовать:
- Фары за 580 рублей;
- Передний и задний бамперы за 700 рублей;
- Выручили от сдачи в в чермет самой машины порядка 3600.
В то же время себе оставили все требуемые для переделки запчасти, и узлы:
- собственно сам мотор;
- коробку передач;
- понравились сиденья,
- электростеклоподъемники передних дверей;
- стеклоочистители и мотор печки;
- всевозможные мелочи, типа винтиков, хомутиков, патрубков и шлангов.
И, конечно же, волговская схема проводки — Газель на мотор 406 она подойдет с небольшими переделками разъемов подключения (см. что такое проводка в машине).

При прокладке волговской проводки можно руководствоваться данной схемой
Переделка
При детальном рассмотрении ситуации — не так уж все и сложно.
Отличия проводки Газели и купленной Волги лишь в:
- разъемах подключения к проводке Газели (см. статью Принципиальная схема электропроводки ГАЗель);
- длине проводов от блока управления к датчикам;
- местом выхода жгута проводки к колодке диагностике;
- цепи бензонасоса;
- отличается и схема проводки на Газель 406 по обмотке возбуждения генератора и его питания от АКБ.
Но все решаемо путем замены и надежной изоляции контактных разъемов. Видео в этой статье позволит визуально увидеть некоторые нюансы работы по установке газового оборудования.
Чиним сами
Как правило, цена диагностики и работы мастера СТО или электрика достаточно дорога. Поэтому есть смысл самостоятельно проверить проводку ГАЗели. Очень часто причиной подобных внезапных отказов является потеря контакта с массой авто. Причем, такая неприятность встречается у многих отечественных авто — та же проводка Москвич 2141 к примеру.
Вот этот провод следует всегда держать на контроле.
Чинится такая неисправность при обнаружении достаточно легко:
- Обрезаете отпавший провод сантиметров на 5-7 ниже окислившегося контакта;
- Зачищаете;
- Прикручиваете новый контакт;
- Изолируете;
- Прикручиваете к шпильке, предварительно зачистив место контакта небольшим напильником.
Отключили старый провод на машине – отметьте его на новой. Такой подход существенно упростит работу и поможет избежать ошибок
Советы для автомобилистов
В работе погружного электробензонасоса, на автомобиле Газель, принимают участие: главное реле, реле бензонасоса, электронный блок управления, а защищают эту электрическую цепь предохранители. Кроме этого, если на автомобиле, установлена противоугонная система, то в схему добавиться ещё одно реле, которое будет отключать подачу напряжения на клеммы бензонасоса.
А те автомобили Газель , которые работают на газу, заводятся всё равно на бензине и у них в электрическую схему бензонасоса, также будет поставлено дополнительное реле, которое будет отключать работу бензонасоса, в момент перехода работы двигателя на газ.
Поэтому, поиск неисправностей, связанных с не рабочим бензонасосом на Газели, нужно начинать с проверки целостности предохранителей. Проверить нужно и состояние контактов, на предмет их окисления. Далее проверяем работу всех реле, которые задействованы на данном автомобиле в электрической схеме подачи напряжения на клеммы бензонасоса. Если это не помогло, то придётся проверять проводку и колодки от электронного блока управления до главного реле и реле бензонасоса.
Ещё одной частой причиной отказа в работе бензонасоса бывает окисление или подгорание минусового контакта, расположенного на бензонасосе внутри бака. Там стоит колодка белого цвета, только не путайте, пожалуйста, её с колодкой, которая расположена на поверхности бензобака. Обычно эта неисправность первоначально проявляется периодическим включением и выключением в работу бензонасоса. Если эта проблема возникла, то эти контакты придётся периодически чистить, снимая модуль или их один раз и навсегда соединить напрямую, минуя клемму.
К сожалению, водителю, самостоятельно не всегда удаётся найти неисправности связанные с отказом в работе погружного бензонасоса на автомобиле Газель и приходится искать грамотного автоэлектрика, для решения этой проблемы.
Источник статьи: http://r-ro.ru/turbonadduv/gde-nahoditsya-rele-benzonasosa-na-sobole.html
Общая схема
Современные двигатели во многом ориентированы на экономичную работу с привязкой к экологическим требованиям.
Поэтому, отличаются:
- Большим количеством всевозможных датчиков;
- Увеличенной длиной проводов;
- Электронными блоками управления подсистемами и всем силовым агрегатом;
- Бортовым диагностическим модулем (компьютером).
Плакат из руководства по обслуживанию ГАЗели с двигателем ЗМЗ-40522
Соответственно, что и схема проводки на Газель 405 имеет свои особенности, большинство которых касаются обеспечения правильной работы системы впрыска, часто называемой инжектором.
Именно здесь, по мнению многих диагностов и автоэлектриков, и кроется слабое звено, оказывающее воздействие на двигатель автомобиля. И об одной такой особенности и пойдет речь в данной публикации.
Помощь электроники
Правильно подключенный диагностический модуль поможет определить проблему электроники
На автомобилях с двигателями ЕВРО 3 схема электропроводки на 405 Газель предусматривает диагностический модуль.
Его часто встречаемые названия в среде автомобилистов:
- бортовой компьютер,
- маршрутный компьютер;
- мультитроникс (по названию производителя) т.п.
Помимо своих основных информационных функций, бортовой компьютер также способен сообщить водителю:
- Положение шагового двигателя.
- Обороты двигателя.
- Коды ошибок контроллера впрыска.
- Массовый расход воздуха.
- Положение дроссельной заслонки.
- Значение бортового напряжения.
Масса автомобиля
Обилие проводов может усложнить задачу по поиску неисправного контакта. Картинка взята .
Давайте рассмотрим пример, когда автомобиль перестает слушаться педали газа. Автомобиль отказывается ехать, при запуске держит обороты на уровне 2000 об/мин и не дает возможности двигаться.
Маршрутный компьютер нередко сообщает в таких ситуациях, что есть ошибки:
- С дросселем;
- С датчиком коленвала;
- С датчиком расхода воздуха.
На примере, приведенном на видео ниже – неустойчивая работа силового агрегата.
Заводская инструкция предписывает проведение диагностики с помощью специального оборудования, в результате которой владелец методом перебора исключает тот или иной узел из «списка подозреваемых».
Фактически же причина отказа банально проста — обрыв провода массы дросселя, который будучи прикручен к шпильке выпускного коллектора, подвергается вибрации и попросту отваливается (такая неприятность случается не только с продукцией ГАЗа — см. статью оригинальная схема проводки ВАЗ 2112).
Провод с желтой изоляцией на конце — та самая «масса» дросселя. Фото принадлежит .
Recommendations
Comments 27
при замене на 406-е семейство есть еще один прикол о котором многие не пишут — надо либо ставить бензонасос в бак, либо если как с завода за колесом, то трубку идущую из бака к насосу надо тоже менять (она более толстая), иначе когда топлива будет меньше трети бака будет падать давление и мотор будет хандрить.
Я проводку менял
+100500,все абсолюто просто.
Все просто! Коса эбу и замена ее на проводеу зажигания 402. Плюс провод для насоса
у тебя всё просто получилось? у меня нет…
Все бывает но сами делали 24 и все просто
Если карбюратор на карбюратор то только на генератор гадо будет переделывать. Если инжектор то всю менять.
У карбюраторного 406-го тоже «мозги» есть и их подключить не проще чем инжекторные.
Как поставить 406 вместо 402? Отвечаю: очень просто, только на первый взгляд непонятно.
1) Коса ЭБУ (мозгов) у 406 своя, надо будет пробить отверстие в моторном щите чтобы вывести ее в подкапотку. 2) Из предыдущего пункта следует, что демонтируя 402 надо убрать все провода которые идут на зажигание. 3) Инфа по распиновке микасов есть здесь www.chiptuner.ru/ Каждая ножка расписана! 4) Из косы недалеко от разьема ЭБУ есть прямоугольная фишка, туда подаются все нужные +12В и там же выходы на лампочку чека енжина и выход на ЭБН. 5) будут вопросы — интересуйся в личке, расскажу что и как.
Как поставить 406 вместо 402? Отвечаю: очень просто, только на первый взгляд непонятно.
1) Коса ЭБУ (мозгов) у 406 своя, надо будет пробить отверстие в моторном щите чтобы вывести ее в подкапотку. 2) Из предыдущего пункта следует, что демонтируя 402 надо убрать все провода которые идут на зажигание. 3) Инфа по распиновке микасов есть здесь www.chiptuner.ru/ Каждая ножка расписана! 4) Из косы недалеко от разьема ЭБУ есть прямоугольная фишка, туда подаются все нужные +12В и там же выходы на лампочку чека енжина и выход на ЭБН. 5) будут вопросы — интересуйся в личке, расскажу что и как.
Читать также: Модель двс для сборки в уменьшенном масштабе
и у меня тоже есть вопросы…
без проблем, спрашивай))
вот слушай. если сбросить концы с зарядной рылюшки, то выключаю движок ключом если накинуть на реле, не глохнет с ключа!
это у тебя глюк уже имевшейся проводки, скорее всего не тот провод подключил.
а лампочка есть? (смотри в ЛС)
вот слушай. если сбросить концы с зарядной рылюшки, то выключаю движок ключом если накинуть на реле, не глохнет с ключа!
у тебя не глохнет потому что работает на генераторе, он сам себя обеспечивает. Ставь в цепь возбуждения либо реле которое замыкается при включении зажигания либо можно поставить мощный диод но он будет греться. реле лучше. Я себе 2 реле поставил в эту цепь — одно подключает цепь возбуждения генератора, а второе отключает ее при работе стартера.
Что делать, если цена топлива, а с нею и ваши расходы на него перестают вписываться в бюджет грузоперевозок? Конечно же, переходить на газ, если у вас не карбюратор под капотом, посоветуют многие, и отчасти будут правы. Ведь хорошо знакомая многим Газель с 406-м двигателем потребует помимо самого ГБО еще и массы доработок, что недешево. Но выход есть и о нем пойдет речь в данной публикации.

Перейти на газ? Можно, хотя и сложно
Не заводится Газ 560 Steyr
Добро пожаловать на ChipTuner Forum.
Dfkthbq
Dfkthbq
Ну если ошибка — актуальная, то от стирания толку нет, она появится опять)).
Dfkthbq, Тебе известно, что если сам датчик находится в цепи, то ошибки не будет, но он может работать — не правильно и что бы это понять, надо чем то смотреть его работу?
Dfkthbq
Dfkthbq
Я выделил то, о чем я говорил выше.
А это не один и тот же датчик?
Dfkthbq, Вот самое разумное (ты же водитель?), это обратится к специалисту и посмотреть как он будет решать проблему, чем пользоваться, если повезет, то можно будет и вопросы задавать. А так помочь то хочется, но боюсь на разные языках говорим.
Dfkthbq
Dfkthbq
Dfkthbq
В Московской области?? Я тебя умоляю..))
В Московской области?? Я тебя умоляю..))
К сожалению скорей всего — нет, но даже если и теоретически, то тебе придется проштудировать внушительно и приобрести «девайсы», тогда наша беседа будет заключаться только лишь в том, что ты упускаешь из виду. Ну во всяком случае в начале пути (именно в этой части профессии), мне не сильно помогли: 20 лет в системе автосервиса, механическое отделение техникума и летное училище (ну и там по мелочи связанными с техникой), а водительский стаж (общий), где то лет 45)), да и до сих пор ещё учусь.
Источник статьи: http://chiptuner.ru/forum/showthread.php?t=107270
Что нужно для переделки
Если модернизировать – то по полной, включая и инжектор, а для этого следует присмотреться к газо-баллонному оборудованию Digitronic. Данное ГБО хвалят многие, и оно может быть установлено на Газель.
Об экономном расходе автомобиля с ГБО знают многие
Но есть один существенный нюанс — для оснащения машины Диджитроником нужен инжекторный двигатель, «заточенный» под нормы токсичности Евро-2.
Да и потом, переделки под инжектор на этом не закончатся, ведь понадобятся следующее узлы и детали:
- Инжекторная проводка на Газель — 406 двигатель ее не имеет, не говоря уже про блок управления;
- Система впуска, включая сам коллектор с рампой форсунок, датчик положения дроссельной заслонки, дроссельным патрубок, регулятор холостого хода и регулятор дополнительного воздуха, соединительные трубки и патрубки;
На фото – схема электрооборудования бензиновой версии ЗМЗ 406
- Инжекторные распредвалы. Данный пункт спорный, поскольку на автомобиле вполне можно оставить и карбюраторные. Основное отличие между ними – высота подъема, что сказывается на мощности;
- Электробензонасос вместе с фильтром тонкой очистки топлива;
- Датчик массового расхода воздуха с соединительными патрубками;
- Корпус воздушного фильтра вместе с кронштейном;
- Электрический вентилятор (но не обязательно).
Читать также: Тойота центр серебряный бор телефон
Установка распредвалов змз 406, засада
В 2015-16 году северный пушной зверек подкрался оттуда, откуда никто не ждал. На двигателях с завода стали появляться распредвалы с профилем кулачка, к которому не подходит профиль ни инжекторного, ни карбюраторных валов. Никаких внятных объяснений ни от заводчан, ни на форумах я не увидел. Можно предположить два развития событий. Первый вариант, это какая-то массовая партия «левого производителя». Второй вариант – сбившийся или сработавшийся копир на заводе. Ничегошеньки поделать с этим нельзя, «за неименеем гербовой, пишем на простой». С данными распредвалами, точная установка возможна только по трем индикаторам.
Электросхема ГАЗ-3110 с 402 и 406 инжекторным двигателем
Электрическая схема автомобиля ГАЗ 3110 особой сложностью не отличается, но она может быть разной в зависимости от типа устанавливаемого двигателя. Схема ГАЗ 3110 с установленным двигателем ЗМЗ 406 несколько сложнее, так как она оснащена электронной системой управления двигателем.

Схема системы зажигания двигателя ГАЗ 3110
Электрооборудование ГАЗ 3110
Как и в любом автомобиле, в электросхеме ГАЗ 3110 есть автомобильная проводка с разъемами, различные реле и датчики, предохранители, приборы, а также источники и потребители энергии. Источниками энергии являются генератор и аккумулятор, к потребителям относятся:
- Стартер; Схема конструкции стартера для Газ 3110
- Моторчики печки и стеклоочистителя;
- Звуковые сигналы;
- Приборы освещения;
- Элементы системы зажигания;
- Магнитола, сигнализация, а также другие потребители, установленные пользователем.
На Волге 3110 установлен электронный спидометр. Следует отметить, что на предыдущей модели ГАЗ 31029 спидометр оснащался механическим приводом (тросиком). Также в отличие от 31029 на модели 3110 появился тахометр.
Но на ГАЗовской машине сразу заработать новое устройство без проблем не может, и поэтому со спидометром и тахометром возникали различные неполадки.
У тахометра в первых моделях отмечалась следующая недоработка – стрелка прибора дрожала, показывая количество оборотов. В дальнейшем производитель довел прибор до ума, а владельцам первых авто приходилось своими руками устранять недоделки – впаивать в схему тахометра дополнительный резистор.

Тахометр от Волги 3110
Генератор
Генератор предназначен вырабатывать ток, столь необходимый для питания всех потребителей электроэнергии в автомобиле. В зависимости от модели двигателя, генераторы на «Волгу» устанавливались разные. Мотор ЗМЗ 402 комплектуется генератором на 65 Ампер, а вот у ДВС ЗМЗ 406 мощность генераторов различная, и ток они тоже вырабатывают разный – от 72 до 120 Ампер. Основные производители электрооборудования для «Волги» – «СтартВольт», «Прамо», LKD, КАТЭК, «Динамо».
Стартер
С помощью стартера запускается двигатель, и от того насколько он исправен, зависит, поедет автомобиль или нет. Для моторов 3110 стартеры выпускают многие производители, и они также различаются по мощности.

Так выглядит стартер для автомобиля Волга 3110
Блок предохранителей
На автомобиле ГАЗ 3110 блок предохранителей находится на панели приборов со стороны пассажира. Устроен он чрезвычайно просто – представляет собой две колодки с плавкими предохранителями на 10,15 и 20 Ампер.

Так выглядит блок предохранителей для ГАЗ 3110
Система зажигания
Системы зажигания моторов ЗМЗ 402 и ЗМЗ 406 совершенно разные. В карбюраторном 402-ом моторе присутствуют трамблер, коммутатор и катушка зажигания, а на 406-ом зажиганием управляет электронный блок.
На ЗМЗ 406 трамблера и катушки с коммутатором нет, зато есть различные датчики – распредвала, коленвала, расхода воздуха, дроссельной заслонки, холостого хода.
Неисправности электрооборудования
«Волги» никогда не отличались особой надежностью, и электрооборудование на машине далеко не идеальное по качеству. Какие в основном неисправности электрической части встречаются на ГАЗ 3110:

Электрическая схема стеклоочистителя Волги 3110
- На 406-ом моторе: часто «летит» генератор, не всегда его хватает и на 50 тыс. км;
- не слишком надежен блок управления двигателем;
- часто выходит из строя ДМРВ отечественного производства;
- не отличаются высоким качеством датчик фаз – из-за него увеличивается расход топлива.
На 402-ом двигателе:
- Перегреваются и выходят из строя коммутаторы;
Катушка зажигания не лучшего качества, недаром автовладельцы с собой в запасе возили коммутатор и катушку в багажнике авто.
Электропроводка тоже нередко подводит хозяев 3110 – ненадежные контакты могут быть в любом соединении. Случаются из-за проводки и пожары в моторном отсеке, правда, чаще виноваты в этом сами автовладельцы. Если под капотом грязь и масло, а с топливных шлангов подтекает бензин, никакая машина не выдержит такого халатного обращения с ней.

Электропроводка на автомобиле ГАЗ 3110
Конструктивное строение блока предохранителей Газелей
Система защиты электрической цепи в автомобилях Газель реализована по двухуровневой модели, которая обеспечивает дополнительную устойчивость в работе электрооборудования и имеет следующие особенности.
Предохранители от электрооборудования Газели
- Первый защитный уровень обеспечивается силовыми плавкими предохранителями, расположенными в отдельном монтажном блоке под капотом автомобиля. Их срабатывание рассчитано на значительное изменение силы тока в цепи, а основным предназначением является защита от короткого замыкания. При этом разделяются два основных контура электрической цепи, в том числе:
- основная плюсовая цепь, исключая световые приборы, генератор и стартер;
- плюсовая цепь генератора и световой контур.
В модификациях, укомплектованных антиблокировочной системой, установлены два дополнительных электропредохранителя, отвечающих непосредственно за эту функцию.
Электрические предохранители в электросети
Электрическая система подключения фар на Газели
Обозначения на реле монтажного блока Газели
Так выглядит старый блок предохранителей на Газели
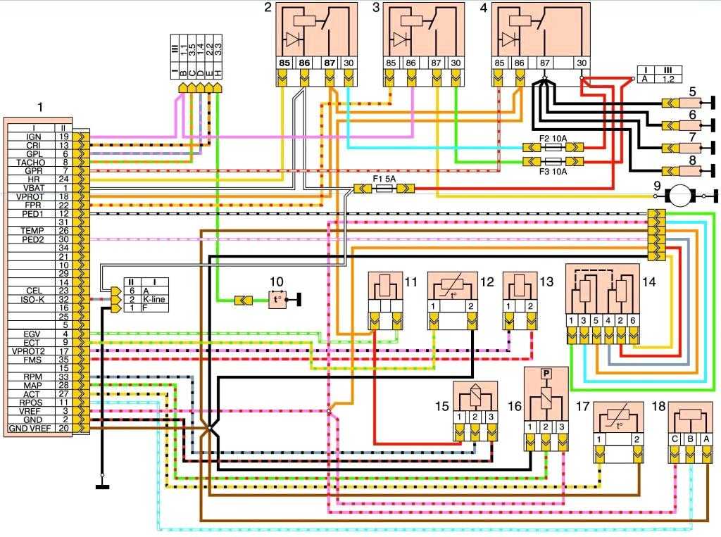
Схема системы управления двигателя ГАЗ-560
Схема жгутов проводов системы управления двигателя ГАЗ-560 автомобиля Соболь
Система управления двигателем ГАЗ-560 включаем в себя электронный блок управления, датчик положения педали газа, управляющий электромагнитный клапан рециркуляции отработавших газов, электромагнитный клапан рециркуляции отработавших газов,
электромагнит управления насос-форсунками, датчик положения регулирующей рейки, датчик частоты вращения коленчатого вала двигателя, датчик температуры охлаждающей жидкости, датчик температуры воздуха, датчик положения регулирующей рейки, электромагнит управления насос-форсунками и датчик температуры охлаждающей жидкости.
Во время работы двигателя в блок управления поступают сигналы от датчика положения газ педали и датчиков контролирующих состояние двигателя.
После анализа информации в блоке управления на электромагнит управления рейкой поступает управляющие сигналы на сервопривод механизма управления углом опережения впрыска топлива.

Детали схемы: I — цепь; II — вывод; III — адрес; А — +12В аккумуляторной батареи (вывод 30); В — +12В (вывод 15); С — выход на тахометр; D — лампа сигнализатора; Е — стартер (вывод 50); F — корпус автомобиля; Н — указатель температуры охлаждающей жидкости; 1 — блок управления; 2 — реле электромагнита; 3 — реле топливного насоса; 4 — реле свечей накаливания; 5–8 — свечи накаливания; 9 — электрический топливоподкачивающий насос; 10 — датчик указателя температуры охлаждающей жидкости; 11 — управляющий электромагнитный клапан системы рециркуляции отработавших газов; 12 — датчик температуры охлаждающей жидкости; 13 — электромагнит управления насос-форсунками; 14 — датчик положения педали «газа»; 15 — датчик синхронизации; 16 — датчик давления наддувочного воздуха; 17 — датчик температуры воздуха; 18 — датчик положения штока электромагнита; F1–F3 — предохранители плавкие.
К блоку управления можно подключить компьютер и диагностировать двигатель. Электромагнит управления регулирующей рейки, соединенной поводками с рейками насос форсунок, благодаря этому увеличивается или уменьшается количество впрыскиваемого топлива. Управляющий сигнал на электромагнит поступает от электронного блока управления, который корректирует сигнал в зависимости от показаний датчиков состояния двигателя.
Сервопривод механизма управления углом положения впрыска топлива (ГАЗ-5602) изменяет положение эксцентриковой оси коромысел, тем самым, меняя положение опережение впрыска топлива.
Датчик положения сервопривода механизма управления углом опережения впрыска топлива (ГАЗ-5602) расположен на крышке сервопривода и предназначен для выдачи сигнала в электронный блок.
Датчик частоты вращения коленчатого вала расположен на задней части корпуса распределительного вала и предназначен для изменения частоты вращения коленчатого вала двигателя.
Датчик давления наддувочного воздуха установлен на впускной трубе двигателя и предназначен для корректировки подачи топлива в зависимости от давления после турбокомпрессора.
Датчик температуры воздуха на двигателе ГАЗ-560 расположен в трубопроводе между воздушным фильтром и входом в турбокомпрессор. Датчик температуры воздуха на двигателе ГАЗ-5601 и ГАЗ-5602 расположен в патрубке между охладителем наддувочного воздуха и впускной трубой.
Датчик положения педали газа выдает сигнал на электронный блок управления.
Источник статьи: http://avtomechanic.ru/sobol/elektrika-sobol/skhema-sistemy-upravleniya-dvigatelya-gaz-560
Схема автомобиля ГАЗ-2752 с двигателем ЗМЗ-4063
Схема электрооборудования автомобиля Соболь с двигателем ЗМЗ-4063
На автомобиле применено электрооборудование постоянного тока с номинальным напряжением 12 В
Электрооборудование автомобиля выполнено по однопроводной схеме – отрицательные выводы источников и потребителей электроэнергии соединены с «массой», которая выполняет функцию второго провода
В свою очередь, роль «массы» выполняет кузов автомобиля. Большинство цепей включается выключателем зажигания.
Всегда включены (независимо от положения ключа в выключателе зажигания): контрольная лампа автомобильной противоугонной системы, блокировка замков дверей, сигнализация дальним светом фар, сигналы торможения, наружное освещение, плафоны освещения салона и индивидуальной подсветки, аварийная сигнализация, звуковой сигнал и подкапотная лампа.

Детали схемы: 1 – боковой указатель поворота; 2 – указатель поворота; 3 – фара; 4 – лампа переднего габаритного света; 5 – лампа фары; 6 – выключатель светильников задней части кабины (для автомобиля с двумя рядами сидений); 7 – подкапотная лампа; 8 – светильники задней части кабины (для автомобилей с двумя рядами сидений); 9 – плафон освещения передней части кабины; 10 – плафоны (плафон для ГАЗ-2752 с двумя рядами сидений) грузового салона фургона; 11 – реле стартера; 12 – центральный блок предохранителей; 13 – генератор; 14 – стартер; 15 – кнопка дистанционного выключателя аккумуляторной батареи; 16 – выключатель аккумуляторной батареи; 17 – реле-прерыватель сигнализатора стояночного тормоза; 18 – выключатель зажигания; 19 – выключатель сигнализатора стояночного тормоза; 20 – датчик сигнализатора аварийного падения уровня тормозной жидкости; 21 – сигнализатор неисправностей микропроцессорной системы зажигания; 22 – датчик указателя температуры охлаждающей жидкости; 23 – датчик сигнализатора перегрева охлаждающей жидкости; 24 – датчик указателя давления масла; 25 – датчик сигнализатора аварийного давления масла; 26 – выключатель ламп противотуманного света; 27 – центральный выключатель света; 28 – нижний блок предохранителей; 29 – исполнительные механизмы электрокорректора фар; 30 – блок управления электрокорректора фар; 31 – электродвигатель стеклоомывателя; 32 – звуковой сигнал; 33 – розетка переносной лампы; 34 – плафон платформы (ГАЗ-2310); 35 – зуммер сигнала водителю (ГАЗ-2310); 41 – комбинация приборов; 42 – указатель уровня топлива в баке; 43 – сигнализатор резерва топлива в баке; 44 – вольтметр; 45 – спидометр; 46 – счетчик суточного пробега; 47 – сигнализатор указателя поворота (зеленый); 48 – сигнализатор аварийного падения уровня тормозной жидкости и включения стояночного тормоза (красный); 49 – сигнализатор неисправности генератора; 50 – сигнализатор резервный; 51 – сигнализатор перегрева охлаждающей жидкости (красный); 52 – сигнализатор габаритного света (зеленый); 53 – сигнализатор дальнего света фар (синий); 54 – тахометр; 55 – указатель давления масла; 56 – сигнализатор аварийного давления масла (красный); 57 – указатель температуры охлаждающей жидкости; 58 – выключатель сигнала торможения; 59 – выключатель света заднего хода; 60 – датчик указателя уровня топлива; 61 – переключатель электродвигателя дополнительного отопителя и электронасоса системы отопления (для фургонов с двумя рядами сидений); 62 – фонари освещения номерного знака; 63 – резистор электродвигателя дополнительного отопителя; 64 – радиоприемник; 65 – прикуриватель; 66 – выключатель электродвигателя вентилятора отопителя; 67 – электронасос системы отопления (для фургонов с двумя рядами сидений); 68 – электродвигатель дополнительного отопителя; 69 – электродвигатель отопителя; 70 – резистор электродвигателя отопителя; 71 – реле управления стеклоочистителя; 72 – электродвигатель стеклоочистителя; 73 – переключатель стеклоочистителя; 74 – задний фонарь; 75 – лампа указателя поворота; 76 – лампа габаритного света; 77 – лампа сигнала торможения; 78 – лампа света заднего хода; 79 – лампа противотуманного света; 36 – выключатель зумера (ГАЗ-2310); 37 – выключатель аварийной световой сигнализации; 38 – реле указателей поворота; 39 – верхний блок предохранителей; 40 – переключатель указателей поворота;


























