Климатическая система «Лада Гранта»
Климатическая система «Лада Гранта» включает в себя принудительную систему вентиляции и систему отопления салона. Подача воздуха в систему осуществляется за счёт центробежного вентилятора турбинного типа с приводом от электродвигателя через воздухозаборник установленный под рамкой ветрового стекла. Для очистки воздуха используется фильтрующий элемент из не тканого материала. Вытяжка осуществляется через открытые окна, а при их закрытии через вытяжные рефлекторы, встроенные в задней части кузова под бампером.
Для перехода из режима вентиляции в режим отопления используется поворотный переключатель, который по средствам тросика перемещает заслонку перенаправляющую поток забираемого с улицы воздуха через радиатор печки «Лада Гранта», либо в обход его.
Неисправности климатическая система «Лада Гранта» заметны в основном при работе в режиме отопления. Они могут быть выражены в отсутствии или слабой подаче воздуха, подаче холодного воздуха в место подогретого и на оборот, работе вентилятора не во всех режимах или его неисправность. Слабая подача воздуха возможна из-за засорения фильтрующего элемента или неисправности вентилятора, которая приводит

к снижению его оборотов. Для устранения необходимо заменить фильтрующий элемент, а при снижении числа оборотов электродвигателя замерить напряжение на его разъёме. Падение напряжения допускается не более 0,5.В относительно напряжению в бортовой сети. При напряжении ниже нормы необходимо устранить нарушение контакта в соединениях цепи вентилятора. Его можно обнаружить, осмотрев соединения на наличие оплавления и потемнения пластика. Если напряжение в норме, то следует отремонтировать или заменить электродвигатель вентилятора.
Если вместо холодного воздуха подаётся подогретый, то это свидетельствует о неисправности привода заслонки (неисправен переключатель, порван тросик, излом заслонки и т.д.). В том случае, когда подаётся холодный воздух вместо подогретого, то к выше перечисленным неисправностям можно добавить пониженный уровень тосола и нарушение циркуляции охлаждающей жидкости через радиатор отопителя из-за попадания в систему воздуха и образование воздушной пробки или неисправности помпы системы охлаждения. Также нарушение циркуляции возможно из-за малой проходимости охлаждающей жидкости через радиатор отопителя по причине засорения или закоксовки его трубок. Устранение механических повреждений производится по результатам осмотра и принятия решения по мере повреждений. Причиной образования воздушной пробки возможно из-за неправильного заполнения или попадания отработавших газов систему охлаждения двигателя. Для устранения воздушной пробки можно попробовать расположить автомобиль таким образом, что бы радиатор системы охлаждения был как можно выше, например, заехать передними колёсами на эстакаду, и дать поработать двигателю на оборотах немного выше средних. Второй способ слить охлаждающую жидкость и залить вновь, согласно указаниям завода изготовителя. Попадание выхлопных газов в систему охлаждения возможно через микротрещины в камере сгорания головки блока цилиндров. Обнаружить эти трещины возможно только с применением дефектоскопа, попадание охлаждающей жидкости в камеру сгорания при этом происходить не будет.
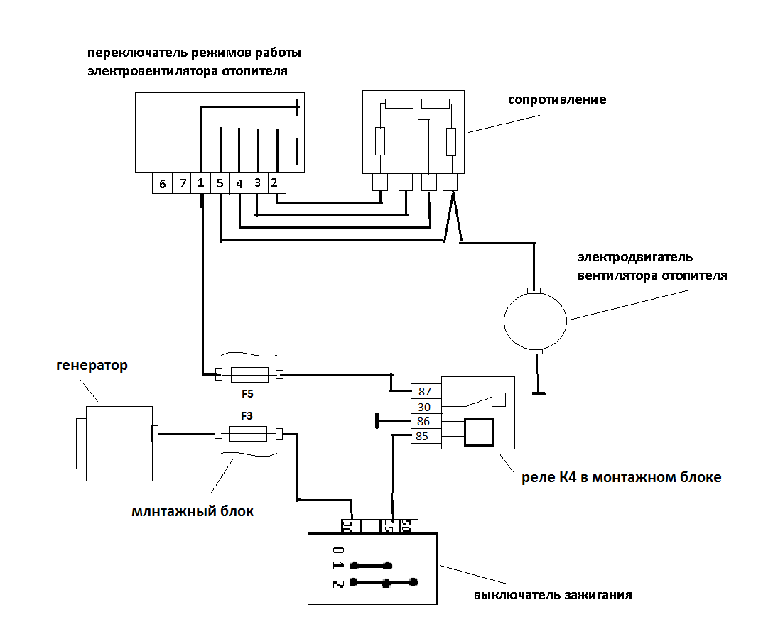
При отсутствии вращения вентилятора климатическая система «Лада Гранта» необходимо проверить целостность предохранителя и наличие питания на разъёме вентилятора. Перегоревший предохранитель необходимо заменить, а при отсутствии питания на разъёме вентилятора проверить цепь питания согласно схеме. Начать лучше всего с модуля управления вентилятором, проверив питание на нём, а при наличие питания, поставить перемычку между питающим проводом и любым проводом на электродвигатель отопителя (толстые провода на том же разъёме). Если вентилятор отопителя не работает только в одном режиме, то неисправно сопротивление, применяемое для изменения числа оборотов или переключатель. Проверку лучше начать с сопротивления для чего необходимо снять вещевой ящик, отсоединить разъём и проверить наличие питания на нём при различных положениях переключателя режимов работы отопителя. Наличие питания свидетельствует о неисправности сопротивления, отсутствие о неисправности переключателя. Там же, под вещевым ящиком, находится и электровентилятор системы отопления.
admin 12/08/2013
«Если Вы заметили ошибку в тексте, пожалуйста выделите это место мышкой и нажмите CTRL+ENTER» «Если статья была Вам полезна, поделитесь ссылкой на неё в соцсетях»
Снятие, установка, ремонт и замена компрессора кондиционера Лада Гранта ВАЗ 2190
Инструмент:
- Вороток под торцевую насадку
- Насадка на вороток 8 мм
- Насадка на вороток 10 мм
- Насадка на вороток 12 мм
- Насадка на вороток 17 мм
- Динамометрический ключ
- Отвертка крестовая средняя
- Пассатижи
Детали и расходники:
- Компрессор кондиционера
- Хладагент
- Ремень привода вспомогательных агрегатов
- Пробки для заглушки отверстий системы кондиционирования
- Подшипник шкива компрессора
- Уплотнительные кольца трубопроводов системы кондиционирования
- Компрессорное масло ATMOS GU-10
Примечание:
Для удобства выполнения работ по снятию, установке, ремонту и замене компрессора кондиционера установите автомобиль на подъемник или смотровую яму.
1. Отсоедините провод от клеммы «минус» аккумулятора.

2. Удалите хладагент из системы кондиционирования, как описано здесь.
3. Снимите брызговик двигателя и защиту масляного картера (если она установлена), как описано здесь.
4. Снимите ремень привода вспомогательных агрегатов.

5. Проверьте состояние приводного ремня.
Примечание:
Замените ремень, если при осмотре вы обнаружите: — следы износа рабочей поверхности, трещины, подрезы, складки или отслоение ткани от резины; — трещины, складки, углубления или выпуклости на наружной поверхности ремня; — разлохмачивание или расслоение на торцовых поверхностях ремня; — следы масла на поверхности ремня.
6. Отсоедините разъем жгута проводов от разъема электромагнитной муфты включения компрессора кондиционера.
7. Выверните болт крепления фланца трубопровода высокого давления к фланцу компрессора кондиционера, снимите шайбу и отсоедините трубопровод.
Предупреждение:
Сразу же после отсоединения заглушите пробками отверстия компрессора кондиционера и трубопровода, чтобы не допустить попадания влаги и грязи в систему кондиционирования.
8. Аналогично отсоедините фланец трубопровода низкого давления от фланца компрессора кондиционера.
9. Выверните три болта крепления компрессора кондиционера к кронштейну двигателя.
10. Снимите компрессор кондиционера, опуская его вниз.
11. При подозрении на возникновение проблем с подшипником шкива компрессора кондиционера рукой проверните шкив. Шкив компрессора кондиционера должен вращаться на подшипнике равномерно, бесшумно, без заеданий. Не должно быть осевого и радиального люфта.
В случае если подшипник компрессора кондиционера заедает и вращается туго, то его необходимо выполнить ремонт кондиционера и заменить подшипник, не дожидаясь его полного разрушения.
12. Установите на автомобиль Лада Гранта ВАЗ 2190 компрессор кондиционера в порядке, обратном снятию, с учетом следующего: — болты крепления компрессора кондиционера к кронштейну двигателя затяните моментом 25-29 Н-м; — установите новые уплотнительные кольца на трубопроводы и смажьте их компрессорным маслом ATMOS GU-10; — присоедините трубопроводы к компрессору и затяните болты крепления их фланцев моментом 7-9 Н-м.
Предупреждения:
Технологические заглушки фланцев нового компрессора кондиционера открывайте только непосредственно перед подсоединением трубопроводов. Новые уплотнительные кольца фланцев трубопроводов при установке обязательно смажьте маслом для компрессора кондиционера.
13. Убедитесь, что при установке ремня привода клиновые дорожки совпали с ручьями шкивов, а натяжение ремня соответствует норме.
14. Заправьте кондиционер и систему кондиционирования хладагентом в специализированном центре по обслуживанию автомобильных кондиционеров.
Полезный совет:
При покупке нового компрессора кондиционера уточните у продавца количество и тип залитого в новый компрессор масла. Эта информация может быть полезна для механиков, которые впоследствии будут заправлять систему хладагентом.
В статье не хватает:
- Фото инструмента
- Фото деталей и расходников
- Качественных фото инструмента
ХЛАДОКОМБИНАТ
Подумать только, кондиционер в машине сугубо отечественного производства! Отдельные фирмы и раньше брались внедрять их в «десятки» и «нивы», но результат получался в духе олимпийского завета, который участие в процессе ставит выше конечного результата. При этом именно у «Приоры», «Гранты» и «Калины» цена агрегата самая щадящая — до 20 000 руб., хотя устройство ставят импортное. В иномарках нашего обзора работают схожие по происхождению, но куда дороже. Так как альтернативы кондиционеру практически нет, особенно для тех, кто лето проводит в городе, предлагаю единственный способ сэкономить: выбирайте авто исходя из стоимости кондея, а не из престижности марки. У какой машины «хладокомбинат» дешевле, ту и покупайте.
Опции: сколько стоит кондиционер?
Климат-контроль Гранты
В прежние годы что, на все мог рассчитывать автовладелец, это печка средненькая, которая то и дело давала сбой. Но стоит не время на месте, и технологии тоже. Появились системы различные, которые можно было устанавливать на такие, авто как кондиционер Фрост, Август, другие и Фриджет. Но и на этом развитие не остановилось.
Теперь производители отечественные решили пойти по проторенному западными и концернами японскими пути и начать устанавливать на свои систему проекты климат-контроль. Таким первопроходцем элегантная стала и динамичная Лада Гранта. Климат-Гранты контроль включает в себя совершенную систему систему и отопления дополнительной вентиляции.
Климат-контроль собой представляет довольно сложную конструкцию, работающую за электрического счет устройства, которое приводит в движение турбинный установленный вентилятор. Здесь выполняется не только очистка, но и вентиляция воздуха, что происходит благодаря особых наличию фильтров из долговечного, экологически чистого При.
материала открытых окнах вытяжка производится окна через, но зимой и осенью, когда холодная позволяет не погода опускать стекло, в прежние времена проблема создавалась с вытяжкой, теперь же она осуществляется за рефлекторов счет, расположенных под задним бампером. что Так атмосфера в салоне идеальна в любое года время, никакой духоты, посторонних запахов и это. И прочего, конечно, огромный плюс конструкторам Климатическая.
машины система Лады Гранта переходит с режима одного на другой простым нажатием на переключатель, приводит который в действие тросик, а тот, в свою воздействует, очередь на заслонку. Таким образом происходит потока перенаправление воздуха либо с улицы, либо с радиатора печки.
Система вентиляции и отопления салона Лада Гранта — Проверка, регулировка
Система вентиляции и отопления салона автомобиля — приточно-вытяжная, при этом для отопления салона используется температура нагретой свыше 90 °С жидкости из системы охлаждения двигателя.При закрытых окнах дверей воздух в салон подается электровенти-лятором. Интенсивность подачи воздуха регулируется скоростью вращения крыльчатки электровен-тилятора. Электродвигатель вентилятора имеет четыре режима скорости (пониженные скорости обеспечивает дополнительный резистор с двумя обмотками). Забор воздуха осуществляется через воздухозаборник, установленный под рамкой ветрового стекла. Для очистки поступающего в салон воздуха на воздухозаборном отверстии отопителя установлен фильтрующий элемент из нетканого синтетического материала.Вытяжка осуществляется за счет разрежения, возникающего возле задней части кузова при движении автомобиля. Вытяжные дефлекторы встроены в панели кузова под задним бампером.Обогрев салона осуществляется отопителем, установленным под панелью приборов. При работе двигателя нагретая жидкость из системы охлаждения циркулирует через радиатор отопителя, нагревая проходящий через него воздух. Количество воздуха, проходящего через радиатор и в обход него, задается центральной заслонкой отопителя, в зависимости от положения ручки регулятора температуры, установленного на панели приборов. Распределение воздуха по салону можно регулировать вращением ручки управления заслонками распределения воздушных потоков, а также поворотом заслонок и направляющих лопастей вентиляционных решеток панели приборов.
ПРОВЕРКА ТЕХНИЧЕСКОГО СОСТОЯНИЯ СИСТЕМЫ ВЕНТИЛЯЦИИ И ОТОПЛЕНИЯ1. Подготавливаем автомобиль к выполнению работы2. Запускаем двигатель.3. Поворачиваем ручку регулятора температуры воздуха против часовой стрелки в крайнее положение (синий сектор).4. Ручкой управления вентилятором отопителя поочередно включаем четыре скорости работы электровентилятора. По интенсивности воздушного потока из сопел проверяем работу электровентилятора и изменение скорости вращения его крыльчатки при смене режимов (1 — минимальная скорость, а 4 — максимальная). Если электровентилятор работает не на всех режимах, проверяем дополнительный резистор и выключатель. Если электровентилятор не работает, то проверяем цепь питания электровентилятора5. Включаем максимальную скорость работы электровентилятора.6. Поворачивая ручки управления заслонками отопителя и вентиляционных решеток, отслеживаем изменение направления воздушных потоков. Если изменение распределения потока не происходит, скорее всего, неисправен привод заслонок.7. Прогрев двигатель до рабочей температуры, поворачиваем ручку регулятора температуры воздуха по часовой стрелке в крайнее положение (красный сектор).8. Убеждаемся в том, что воздух, выходящий из сопел панели, стал теплым. Если температура воздуха не изменилась, возможно, неисправен привод центральной заслонки.9. Поворачиваем ручку регулятора температуры в синий сектор — в салон должен пойти холодный воздух. Если температура не понижается, значит, неисправен привод центральной заслоню».
Замена радиатора кондиционера (конденсора) Лада Гранта ВАЗ 2190
Инструмент:
- Отвертка крестовая средняя
- Гаечный ключ рожковый 8 мм
- Ключ с наконечником Torx (звездочка) Т20
- Вороток под торцевую насадку
- Насадка на вороток 10 мм
- Динамометрический ключ
Детали и расходники:
- Хладагент
- Заглушки трубопроводов кондиционера
- Уплотнительные кольца
- Компрессорное масло
Примечание:
Замену радиатора кондиционера удобнее производить, если автомобиль установлен на подъемник или смотровую канаву.
1. Отсоедините провод от клеммы «минус» аккумулятора.

2. Удалите хладагент из кондиционера и системы кондиционирования, как описано здесь.
3. Снимите передний бампер, как описано здесь.

4. Отсоедините разъем жгута проводов от электровентилятора радиатора кондиционера.

5. Выверните болты крепления фланцев трубопроводов высокого и низкого давления к радиатору кондиционера и отсоедините трубопроводы от радиатора кондиционера.

Предупреждения:
Сразу после отсоединения заглушите открытые концы трубопроводов во избежание попадания в систему кондиционирования грязи и влаги.
Обратите внимание на уплотнительные кольца фланцевых соединений трубопроводов. При разъединении трубопроводов во время ремонта системы уплотнительные кольца подлежат обязательной замене
6. Отожмите фиксаторы и выдвиньте кронштейны радиатора кондиционера из держателей на радиаторе охлаждения двигателя. Снимите с автомобиля радиатор кондиционера.
7. Установите радиатор кондиционера в порядке, обратном снятию. Болты крепления фланцев трубопроводов затяните моментом 7-9 Н-м.
Предупреждения:
Технологические заглушки фланцев нового радиатора кондиционера открывайте только непосредственно перед подсоединением трубок.
Новые уплотнительные кольца фланцев трубок при установке обязательно смажьте маслом для компрессора кондиционера.
8. Заправьте кондиционер и систему кондиционирования хладагентом в специализированном центре по обслуживанию автомобильных кондиционеров.
В статье не хватает:
- Фото инструмента
- Фото деталей и расходников
- Качественных фото ремонта
Система отопления Лады Гранты с кондиционером и без – отличия
Конструкция не имеет указанного дополнительного оборудования
| Наличие кондиционера | Отсутствие |
| Отдельный воздуховод | |
| Испаритель | |
| Блок отопителя | |
| Корпус блока отопителя |
Читать дальше: Сборка головки ваз 2112 16 клапанов
Характерные неисправности системы отопления Лады Гранты
| Неисправность | Диагностика | Способ устранения |
| Печка работает на одном скоростном режиме | Проверка платы с резисторами | Замена платы с резисторами |
| Заслонки неподвижны | Диагностика троса привода | Смазка тросика, дополнительное натяжение |
| Датчик на приборной панели показывает разную температуру | Проверка сопротивления датчика на контактах | Замена датчика |
| Печка не активируется при нажатии на рычаг | Проверка цепи электропитания | Замена электрической проводки, предохранителя |
| Работа вентилятора сопровождается скрипом, металлическим скрежетом | Диагностика блока печного отопителя | Смазка подшипника, замена |
| Из дефлекторов вылетает холодный воздух | Проверка целостности воздушных патрубков | Уплотнение соединения герметиком |
| Не происходит подача охлаждающей жидкости на печку | Проверьте схему подвода патрубков печки | Замена патрубков |
Страница 53

6 – клавиша выключателя
электрообогрева ветрового стекла (в вариантном исполне- нии).
При включении функции охлаж-
дения удаление запотевания сте- кол работает более эффективно, особенно при высокой влажности наружного воздуха.
Для включения функции охлаж-
дения (кондиционирования) при закрытых окнах:
1. Включите зажигание (запу-
2. Включите электровентиля-
тор, установив рукоятку 1
(рис. 39) в одно из положений 1, 2, 3 или 4.
3. Установите рукоятку 4
своей
меткой напротив символа
4. Нажмите на клавишу выклю—
чателя кондиционера 5 с симво- лом
индикатор, расположенный на клавише выключателя, будет све- титься зеленым светом в течение всего времени работы кондицио- нера.
При работе кондиционера воз-
можно появление капель под мо- торным отсеком. Это нормально, так как система кондиционирова- ния автомобиля выводит сконден- сированную на испарителе конди- ционера влагу из салона.
Для выключения функции ох-
лаждения (кондиционирования) повторно нажмите на клавишу выключателя кондиционера.
Кондиционер работает толь-
ко при работающем двигателе, когда температура наружного воздуха не ниже 5
новке рукоятки 1 в одно из положений 1,2, 3 или 4 (т.е. при включенном электровентиля- торе).
хотя бы одно из сопел 1, 2, 3 или 4 (см. рис. 38) должно быть открытым, иначе теплообмен- ник охлаждения воздуха (испа- ритель) может обледенеть и перекрыть подачу воздуха в салон.
Для установки желаемой тем-
пературы
воздуха в салоне повер- нитерукоятку 2 (см. рис. 39) по часовой стрелке для повышения, против часовой стрелки для пони- жения. Температура будет под- держиваться автоматически в пределах производительности кли- матической установки и устано- вленного допуска.
Для ускорения охлаждения
воз-
духа в салоне рекомендуется на короткое время включать режим рециркуляции, для чего рукоятку 3
переведите в крайне правое поло- жение
, при этом прекраща-
ется поступление наружного воз- духа и происходит забор воздуха из салона.
Не рекомендуется использо-
вать режим рециркуляции дли- тельно, так как это приводит к
На автомобили Лада Гранта ВАЗ 2190 устанавливают кондиционер воздуха компрессорного типа.
Кнопка включения кондиционера расположена на консоли панели, общей с органами управления отопителем.






























